Запчасти Case CX225SR (09-10) - ACCESS DOOR - INSULATION (09) - CHASSIS/ATTACHMENTS

Схема запчастей Case CX225SR - (09-10) - ACCESS DOOR - INSULATION (09) - CHASSIS/ATTACHMENTS
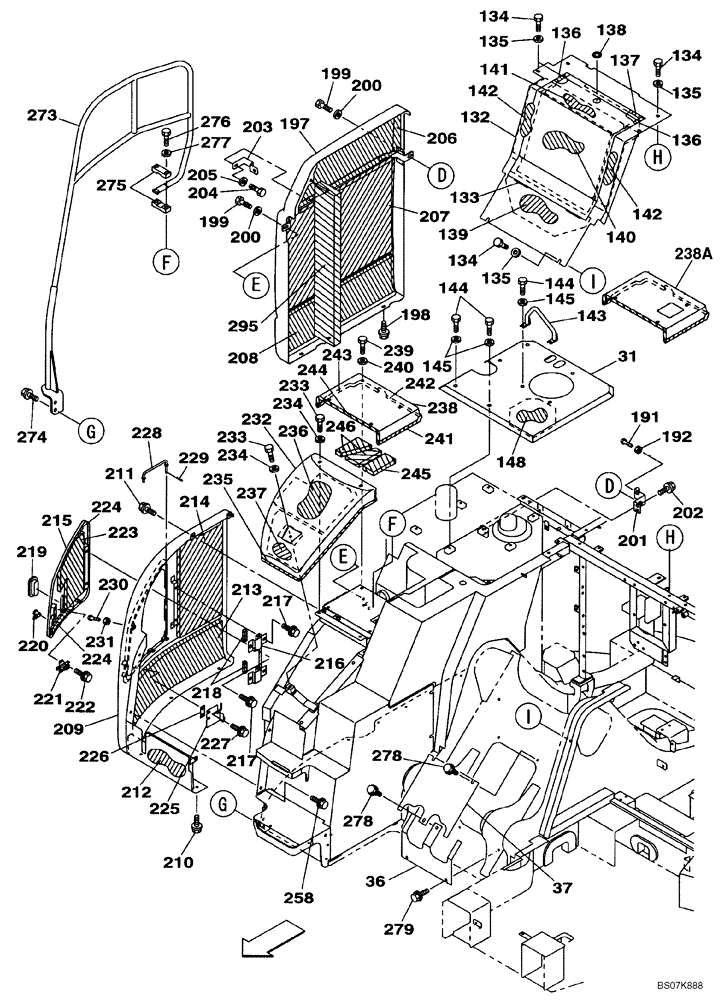
226
135
135
222
216
277
199
213
241
212
197
138
133
239
210
148
227
202
206
135
246
232
244
234
221
144
208
243
240
237
233
205
204
134
198
139
295
229
134
141
238a
276
211
225
236
217
215
192
136
137
217
235
36
224
209
223
230
132
234
273
219
278
233
140
145
200
207
143
136
201
37
258
238
31
214
242
218
220
142
203
275
134
200
231
278
145
245
199
274
191
228
224
142
279
144
FIT
1:1
100%

Артикул

Название

Примечание

Количество

31

KRN16400Y2

COVER ASSY

COVER, TOP

1шт.

36

KRN16750Y2

COVER

COVER

1шт.

37

KRN2719Y2

COVER

1шт.

132

KRN16330Y2

COVER ASSY

COVER, CENTER

1шт.

133

KAN0608

HINGE

2шт.

134

627-10025

BOLT,Hex, M10 x 1.5 x 25mm, Cl 10.9, Full Thd

6шт.

135

151977A1

WASHER

6шт.

136

KHP1772

ADHESIVE STRIP

2шт.

137

KHP1773

ADHESIVE STRIP

1шт.

138

CAR0072

GROMMET

1шт.

139

KRN2794

NOISE PROTECTION

1шт.

140

KRN2795

NOISE PROTECTION

1шт.

141

KRN2796

NOISE PROTECTION

145

1шт.

142

KRN2797

NOISE PROTECTION

148

2шт.

143

KRN2965

BRACKET

1шт.

144

627-10025

BOLT,Hex, M10 x 1.5 x 25mm, Cl 10.9, Full Thd

7шт.

145

151977A1

WASHER

7шт.

148

KRN2790

NOISE PROTECTION

1шт.

191

159091A1

STOP

2шт.

192

829-1410

NUT,M10 x 1.5, Cl 10.9

2шт.

197

KRN16350Y2

COVER ASSY

COVER, SIDE

1шт.

198

KHN3452

BOLT,Spcl

3шт.

199

627-10025

BOLT,Hex, M10 x 1.5 x 25mm, Cl 10.9, Full Thd

2шт.

200

151977A1

WASHER

2шт.

201

KRN2723

BREATHER

1шт.

202

166052A1

BOLT

2шт.

203

KRN16440

BRACKET

1шт.

204

627-10025

BOLT,Hex, M10 x 1.5 x 25mm, Cl 10.9, Full Thd

2шт.

205

151977A1

WASHER

2шт.

206

KRN2580

NOISE PROTECTION

1шт.

207

KRN2581

NOISE PROTECTION

1шт.

208

KRN2582

NOISE PROTECTION

1шт.

209

KRN3040Y2

COVER

1шт.

210

KHN3452

BOLT,Spcl

4шт.

211

166052A1

BOLT

2шт.

212

KRN2579

NOISE PROTECTION

1шт.

213

KRN2807

NOISE PROTECTION

1шт.

214

KRN2808

NOISE PROTECTION

1шт.

215

KAN3570Y2

COVER

1шт.

216

KAN3304

BRACKET

1шт.

217

166052A1

BOLT

4шт.

218

KAN3463

RUBBER PAD

2шт.

219

KHN3442

HANDLE

1шт.

220

KAN10600

LOCK CYLINDER

1шт.

221

KHN3307

BRACKET

1шт.

222

159602A1

BOLT,Sems, Hex, M6 x 16mm

2шт.

223

KAN3523

FOAM INSULATION

1шт.

224

KRN11110

SEAL

2шт.

225

KMN1948

BRACKET

1шт.

226

KAN2953

SHIM

1шт.

227

166052A1

BOLT

2шт.

228

KAN3407

STAY

1шт.

229

153181A1

COTTER PIN

1шт.

230

159091A1

STOP

1шт.

231

829-1410

NUT,M10 x 1.5, Cl 10.9

1шт.

232

KRN2451

COVER

1шт.

233

102R010A020N

BOLT

3шт.

234

KHN3334

WASHER

3шт.

235

KMN1911

SEAL PROTECTION

1шт.

236

KMN1826

FOAM INSULATION

1шт.

237

KRN14410

NOISE PROTECTION

1шт.

238

KRN2452

COVER

1шт.

238a

KRN3168

COVER

1шт.

239

102R010A020N

BOLT

4шт.

240

KHN3334

WASHER

4шт.

241

KMN1912

SEAL PROTECTION

1шт.

242

KRN2858

SEAL PROTECTION

1шт.

243

KRN2859

SEAL PROTECTION

1шт.

244

KRN2860

SEAL PROTECTION

1шт.

245

KRN2587

NOISE PROTECTION

ANTISQUEAK

1шт.

246

KRN2931

NOISE PROTECTION

2шт.

258

166052A1

BOLT

4шт.

273

KRN2825

STAY

1шт.

274

166352A1

BOLT

2шт.

275

KHN3033

COLLAR

2шт.

276

827-12070

BOLT,Hex, M12 x 1.75 x 70mm, Cl 10.9

2шт.

277

150811A1

WASHER

2шт.

278

166052A1

BOLT

3шт.

279

166052A1

BOLT

2шт.

295

KRN14400

NOISE PROTECTION

1шт.

Выбрано товаров: 0