Запчасти Case CX225SR (09-11) - HOOD, ENGINE - INSULATION (09) - CHASSIS/ATTACHMENTS

Схема запчастей Case CX225SR - (09-11) - HOOD, ENGINE - INSULATION (09) - CHASSIS/ATTACHMENTS
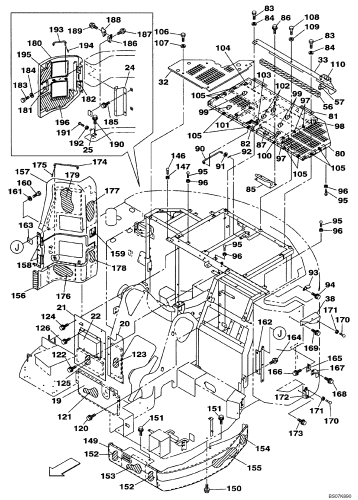
96
190
93
105
105
122
102
105
84
57
96
189
149
97
147
24
177
100
19
151
183
179
188
32
194
161
105
152
90
182
157
110
171
195
184
95
193
103
84
192
160
191
109
154
33
124
56
95
83
174
175
83
98
180
20
158
86
167
99
172
97
185
152
25
120
155
153
108
170
181
99
80
22
92
163
87
82
21
123
196
106
94
101
178
107
91
165
169
166
121
126
150
168
81
156
104
151
186
187
96
125
164
38
96
85
159
176
173
162
171
95
95
146
170
FIT
1:1
100%

Артикул

Название

Примечание

Количество

19

KRN15110

COVER

CENTER

1шт.

20

KRN16300

STEEL PLATE

COVER, CENTER

1шт.

21

KRN16290

COVER

CENTER

1шт.

22

KRN16380

COVER

1шт.

24

KRN2899

BRACKET

1шт.

25

KRN2726

BRACKET

1шт.

32

KRN16310Y2

COVER ASSY

TOP

1шт.

33

KRN16850Y2

COVER

TOP

1шт.

38

KRN3067

BRACKET

1шт.

56

KRN16550

NOISE PROTECTION

INSULATION, ACOUSTIC

1шт.

57

KRN16620

NOISE PROTECTION

INSULATION, ACOUSTIC

1шт.

80

KRN16240Y2

COVER ASSY

TOP

1шт.

81

KAN0608

HINGE

2шт.

82

158920A1

LOCK

1шт.

83

627-10025

BOLT,Hex, M10 x 1.5 x 25mm, Cl 10.9, Full Thd

4шт.

84

151977A1

WASHER

4шт.

85

KRN2950

HANDLE GRIP

1шт.

86

166052A1

BOLT

4шт.

87

KRN16540

NOISE PROTECTION

INSULATION, ACOUSTIC

1шт.

90

KRN2876

STAY

1шт.

91

895-10010

WASHER,11mm ID x 20mm OD x 2mm Thk

1шт.

92

153181A1

COTTER PIN

1шт.

93

KRN2948

BRACKET

1шт.

94

166052A1

BOLT

2шт.

95

159091A1

STOP

4шт.

96

829-1410

NUT,M10 x 1.5, Cl 10.9

4шт.

97

KRN15210

NOISE PROTECTION

INSULATION, ACOUSTIC

3шт.

98

KRN16890

NOISE PROTECTION

INSULATION, ACOUSTIC

1шт.

99

KRN15230

NOISE PROTECTION

INSULATION, ACOUSTIC

4шт.

100

KRN15240

NOISE PROTECTION

INSULATION, ACOUSTIC

1шт.

101

KRN15250

NOISE PROTECTION

INSULATION, ACOUSTIC

2шт.

102

KLN10750

NOISE PROTECTION

2шт.

103

KRN16480

NOISE PROTECTION

INSULATION, ACOUSTIC

1шт.

104

KRN15310

NOISE PROTECTION

INSULATION, ACOUSTIC

1шт.

105

KRN15450

SEAL

SEAL, COUSHION

9шт.

106

627-10025

BOLT,Hex, M10 x 1.5 x 25mm, Cl 10.9, Full Thd

4шт.

107

151977A1

WASHER

4шт.

108

627-10020

BOLT,Hex, M10 x 1.5 x 20mm, Cl 10.9, Full Thd

3шт.

109

151977A1

WASHER

3шт.

110

KRN16630

NOISE PROTECTION

INSULATION, ACOUSTIC

1шт.

120

166052A1

BOLT

3шт.

121

KRN15330

SEAL

1шт.

122

166052A1

BOLT

3шт.

123

KRN16530

NOISE PROTECTION

INSULATION, ACOUSTIC

1шт.

124

166052A1

BOLT

6шт.

125

KRN16530

NOISE PROTECTION

INSULATION, ACOUSTIC

1шт.

126

166052A1

BOLT

4шт.

146

159091A1

STOP

2шт.

147

829-1410

NUT,M10 x 1.5, Cl 10.9

2шт.

149

KRN3038Y2

COVER

1шт.

150

KHN3452

BOLT,Spcl

4шт.

151

166052A1

BOLT

2шт.

152

KRN2809

NOISE PROTECTION

2шт.

153

KRN2810

NOISE PROTECTION

1шт.

154

KRN2811

NOISE PROTECTION

1шт.

155

KRN2807

NOISE PROTECTION

1шт.

156

KRN16870

NOISE PROTECTION

INSULATION, ACOUSTIC

1шт.

157

KRN16660Y2

INSPECTION DOOR

SIDE

1шт.

158

159098A1

HINGE

2шт.

159

158920A1

LOCK

1шт.

160

627-10025

BOLT,Hex, M10 x 1.5 x 25mm, Cl 10.9, Full Thd

3шт.

161

151977A1

WASHER

3шт.

162

KRN16860

BRACKET

1шт.

163

KRN11480

SHIM,2.3mm Thk

1шт.

164

166052A1

BOLT

2шт.

165

KRN2724

BRACKET

1шт.

166

166052A1

BOLT

2шт.

167

KRN2728

BRACKET

1шт.

168

166052A1

BOLT

2шт.

169

166052A1

BOLT

2шт.

170

151108A1

STOP

2шт.

171

KBH0446

NUT

2шт.

172

KRN3068

BRACKET

1шт.

173

166052A1

BOLT

1шт.

174

159101A1

STAY

1шт.

175

153181A1

COTTER PIN

1шт.

176

KRN15410

NOISE PROTECTION

INSULATION, ACOUSTIC

1шт.

177

KRN2801

NOISE PROTECTION

1шт.

178

KRN3069

NOISE PROTECTION

1шт.

179

KRN16740

NOISE PROTECTION

INSULATION, ACOUSTIC

1шт.

180

KRN16670Y2

INSPECTION DOOR

SIDE

1шт.

181

158920A1

LOCK

1шт.

182

KAN3271

HINGE

2шт.

183

627-10025

BOLT,Hex, M10 x 1.5 x 25mm, Cl 10.9, Full Thd

2шт.

184

151977A1

WASHER

2шт.

185

166052A1

BOLT

2шт.

186

KRN2724

BRACKET

1шт.

187

166052A1

BOLT

2шт.

188

KRN2900

BRACKET

1шт.

189

166052A1

BOLT

2шт.

190

166052A1

BOLT

2шт.

191

159091A1

STOP

2шт.

192

829-1410

NUT,M10 x 1.5, Cl 10.9

2шт.

193

KAN3407

STAY

1шт.

194

153181A1

COTTER PIN

1шт.

195

KRN16720

NOISE PROTECTION

INSULATION, ACOUSTIC

1шт.

196

KRN16730

NOISE PROTECTION

INSULATION, ACOUSTIC

1шт.

Выбрано товаров: 97