Запчасти Case CX225SR (09-27) - HEATER AND AIR CONDITIONING - DUCTS (09) - CHASSIS/ATTACHMENTS

Схема запчастей Case CX225SR - (09-27) - HEATER AND AIR CONDITIONING - DUCTS (09) - CHASSIS/ATTACHMENTS
FIT
1:1
100%

Артикул

Название

Примечание

Количество

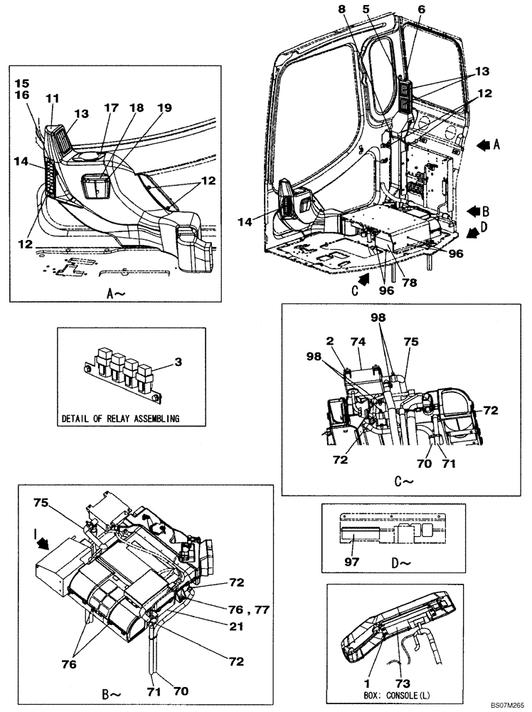
1

KHR2737

SELF-TAP SCREW

4шт.

2

159602A1

BOLT,Sems, Hex, M6 x 16mm

M6X16

4шт.

3

KHR3802

RELAY

3шт.

5

KHR16390

AIR DUCT

1шт.

6

162072A1

SCREW,Pan Hd, M6 x 10mm

M6X10

3шт.

8

KHR16410

AIR DUCT

1шт.

9

NSS

NOT SOLD SEPARAT

BOLT, High Strenght

2шт.

11

KHR16430

AIR DUCT

1шт.

12

KHN2132

BOLT,Hex Flg Hd, M6 x 16

3шт.

13

KHR3112

GRILLE ASSY

3шт.

14

KHR3939

GRILLE ASSY

1шт.

15

KHR3913

NUT

2шт.

16

KHR0440

SCREW

M4X25

2шт.

17

KHR3528

HOLDER

1шт.

18

KHN2967

ASH TRAY

1шт.

19

145S005S010R

SCREW,Flush Hd, M5 x 10mm

M5X10

3шт.

21

KHR20030

AIR CONDITIONER

1шт.

70

KHR3530

HOSE

2шт.

71

KHR3749

HOSE

2шт.

72

159622A1

MOUNTING CLIP

4шт.

73

KHR3932

CONTROL PANEL

Heater

1шт.

73

KHR3930

INSTRUMENT PANEL

Heater and A/C

1шт.

74

KHR3549

CONTROL UNIT

1шт.

75

KHR3933

HOSE

1шт.

76

159602A1

BOLT,Sems, Hex, M6 x 16mm

M6X16

4шт.

77

KHN0482

WASHER

2шт.

78

KHR3941

AIR DUCT

1шт.

96

KHN2367

BOLT

4шт.

97

KAR1490

FOAM INSULATION

1шт.

98

157914A1

CLAMP

4шт.

Выбрано товаров: 30