Запчасти Case CX225SR (09-52) - BUCKETS, ESCO - SEVERE DUTY BUCKETS (09) - CHASSIS/ATTACHMENTS

Схема запчастей Case CX225SR - (09-52) - BUCKETS, ESCO - SEVERE DUTY BUCKETS (09) - CHASSIS/ATTACHMENTS
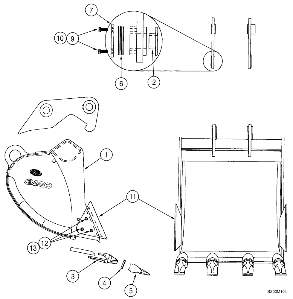
7
9
6
2
11
5
10
4
1
12
13
3
FIT
1:1
100%

Артикул

Название

Примечание

Количество

1

371481A1

BUCKET

0.44 cu m (0.58 cu yd); With 3 Teeth

1шт.

1

371482A1

BUCKET

0.59 cu m (0.78 cu yd); With 4 Teeth

1шт.

1

371483A1

BUCKET

0.74 cu m (1.00 cu yd); With 4 Teeth

1шт.

2

372027A1

ADAPTER

1шт.

3

254091A1

ADAPTER

Tooth

3-4шт.

4

254098A1

BUCKET TOOTH KEY

3-4шт.

5

254093A1

TOOTH

3-4шт.

6

378630A1

SHIM

6шт.

7

378631A1

PLATE

1шт.

8

378632A1

PIN

Not Illustrated

2шт.

9

892-11016

LOCK WASHER,16.4mm ID x 27.4mm OD x 5mm Thk

4шт.

10

627-16050

BOLT,Hex, M16 x 2 x 50mm, Cl 10.9, Full Thd

4шт.

378649A1

KIT

Shroud; Incl. 11 - 13

1шт.

11

244961A1

SHROUD

2шт.

12

232-41314

LOCK NUT,7/8"-9, GC

6шт.

13

320-21444

CARRIAGE BOLT,#3, 7/8" - 9 x 2 3/4", Gr 8

6шт.

378642A1

KIT

Adjustment, Incl. 2, 6 - 10

1шт.

Выбрано товаров: 17