Запчасти Case CX240 (08-28) - ACCUMULATOR - PILOT PRESSURE, RETURN LINES (Nov 3 2009 8:16AM) (08) - HYDRAULICS

Схема запчастей Case CX240 - (08-28) - ACCUMULATOR - PILOT PRESSURE, RETURN LINES (Nov 3 2009 8:16AM) (08) - HYDRAULICS
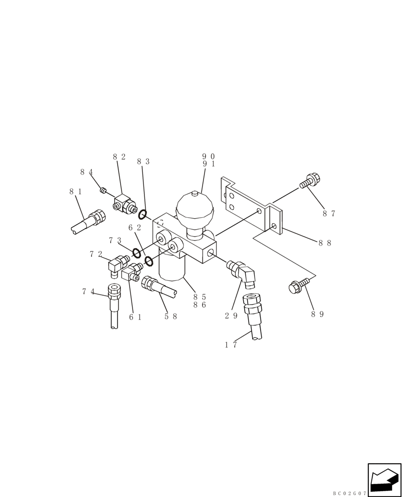
58
84
17
29
bc02g078
81
91
83
86
87
61
90
72
89
74
82
73
62
85
88
FIT
1:1
100%

Артикул

Название

Примечание

Количество

17

163716A1

HOSE

1400 mm (55-1/8 in); See Figure 08-26, 08-26A

1шт.

29

KHJ1254

ELBOW

1шт.

58

KHJ2691

HYDRAULIC HOSE,6.30 mm ID x 2600.00 mm

See Figure 08-26, 08-29; Replaces 152270A1

1шт.

61

150913A1

ELBOW,90 Degree, 1/4" O-Ring x 1/4"

Incl. 62

1шт.

62

154467A1

O-RING,10.8mm ID x 2.4mm Width

1шт.

72

150913A1

ELBOW,90 Degree, 1/4" O-Ring x 1/4"

Incl. 73

1шт.

73

154467A1

O-RING,10.8mm ID x 2.4mm Width

1шт.

74

FAJ0418

HOSE

See Figure 08-26

1шт.

81

KHJ1057

HYDRAULIC HOSE,9.52 mm ID x 650.00 mm

See Figure 08-26

1шт.

82

167907A1

ELBOW

Incl. 83

1шт.

83

154487A1

O-RING

1шт.

84

158352A1

PLUG

1шт.

85

KHJ2562

MANIFOLD

Incl. 86, 86A; Replaces KHJ1583, KHJ2431

1шт.

86

153233A1

HYDRAULIC OIL FILTER

1шт.

Valid with CX210, CX240 Models

1шт.

86a

164690A1

O-RING

Not Illustrated

1шт.

87

627-8020

BOLT,Hex, M8 x 1.25 x 20mm, Cl 10.9, Full Thd

3шт.

896-15008

WASHER,9mm ID x 21mm OD x 2.5mm Thk

3шт.

88

KRJ5948

BRACKET

1шт.

89

627-10020

BOLT,Hex, M10 x 1.5 x 20mm, Cl 10.9, Full Thd

2шт.

896-11010

WASHER,11mm ID x 21mm OD x 2.5mm Thk

2шт.

90

150894A1

ACCUMULATOR

Incl. 91

1шт.

91

154487A1

O-RING

1шт.

Выбрано товаров: 23