Качественные детали и логистика
Оригинальные и аналоговые запчасти с доставкой по России, Казахстану и Беларуси
©2022 PartSell ООО "Система" ИНН 2463123282 ОГРН 1212400004838
Центральный офис: г. Красноярск, Академика Киренского, д.87, пом.4
Телефон: 8 (800) 777-65-74 Email: zakaz@partsell.ru
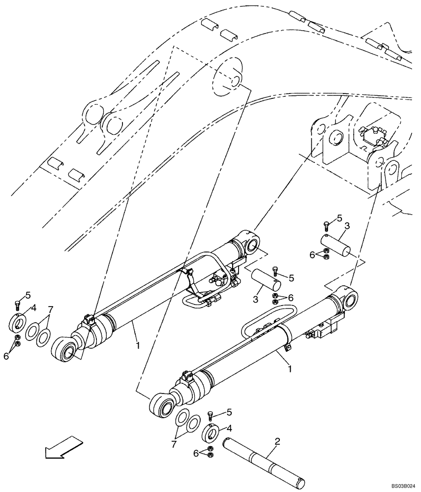
(09-37A) - BOOM CYLINDER MOUNTING - MODELS WITH LOAD HOLD
№
Артикул
Название
Примечание
Количество
1
KBV1686
HYDRAULIC CYLINDER
Boom; Models With Load Hold; See Figure 08-47A
2шт.
2
KBV1634
PIN
1шт.
3
159446A1
PIN,90mm OD x 261mm L
4
159440A1
COLLAR
5
514-1218
BOLT,Hex, M20 x 1.5 x 180mm, Cl 10.9
6
829-11420
NUT,M20 x 1.5, Cl 10
8шт.
7
159458A1
ADJUSTING PLATE
4шт.
Выбрано товаров: 0