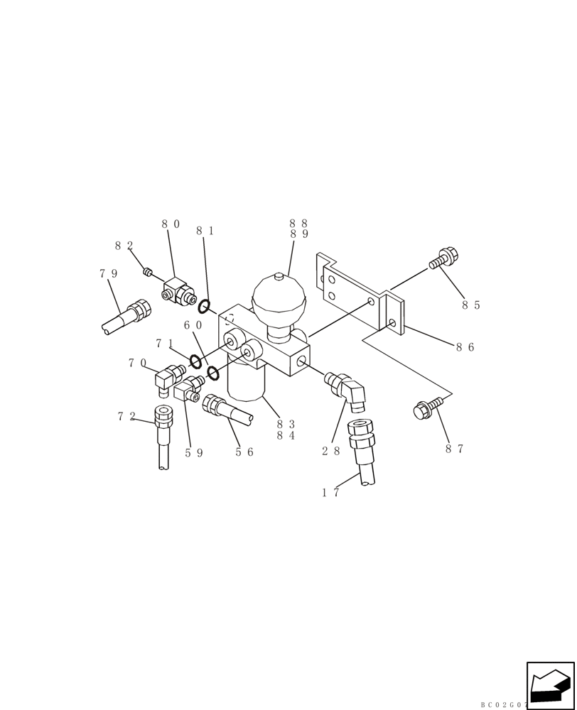
Запчасти Case CX240LR (08-28) - ACCUMULATOR - PILOT PRESSURE, RETURN LINES (Mar 18 2011 8:33AM) (08) - HYDRAULICS

Схема запчастей Case CX240LR - (08-28) - ACCUMULATOR - PILOT PRESSURE, RETURN LINES (Mar 18 2011 8:33AM) (08) - HYDRAULICS
56
bc02g076
84
72
28
85
88
71
89
59
83
86
17
82
80
70
60
87
79
81
FIT
1:1
100%

Артикул

Название

Примечание

Количество

17

163716A1

HOSE

1400 mm (55-1/8 in); See Figure 08-26, 08-26A

1шт.

28

KHJ1254

ELBOW

1шт.

56

152270A1

HOSE,6.3mm ID x 2600mm L

See Figure 08-29

1шт.

59

150913A1

ELBOW,90 Degree, 1/4" O-Ring x 1/4"

Incl. 60

1шт.

60

154467A1

O-RING,10.8mm ID x 2.4mm Width

1шт.

70

150913A1

ELBOW,90 Degree, 1/4" O-Ring x 1/4"

Incl. 71

1шт.

71

154467A1

O-RING,10.8mm ID x 2.4mm Width

1шт.

72

FAJ0418

HOSE

See Figure 08-26, REF 74

1шт.

79

KHJ1057

HYDRAULIC HOSE,9.52 mm ID x 650.00 mm

See Figure 08-26, Ref. 81

1шт.

80

167907A1

ELBOW

Incl. 81

1шт.

81

154487A1

O-RING

1шт.

82

158352A1

PLUG

1шт.

83

KHJ2562

MANIFOLD

Incl. 84, 84A; Replaces KHJ1583, KHJ2431

1шт.

84

153233A1

HYDRAULIC OIL FILTER

1шт.

84a

164690A1

O-RING

Not Illustrated

1шт.

85

627-8020

BOLT,Hex, M8 x 1.25 x 20mm, Cl 10.9, Full Thd

3шт.

896-15008

WASHER,9mm ID x 21mm OD x 2.5mm Thk

3шт.

86

KRJ5948

BRACKET

1шт.

87

627-10020

BOLT,Hex, M10 x 1.5 x 20mm, Cl 10.9, Full Thd

2шт.

896-11010

WASHER,11mm ID x 21mm OD x 2.5mm Thk

2шт.

88

150894A1

ACCUMULATOR

Incl. 89

1шт.

89

154487A1

O-RING

1шт.

Выбрано товаров: 22