Запчасти Case CX240LR (03-06) - FUEL INJECTION PUMP - GEAR AND MOUNTING BRACKETS (03) - FUEL SYSTEM

Схема запчастей Case CX240LR - (03-06) - FUEL INJECTION PUMP - GEAR AND MOUNTING BRACKETS (03) - FUEL SYSTEM
9
13
12
2
4
8
3
10
6
3
9
10
1
14
7
11
4
5
FIT
1:1
100%

Артикул

Название

Примечание

Количество

.

6TAA-5904 EMISSIONS CERTIFIED ENGINE

1шт.

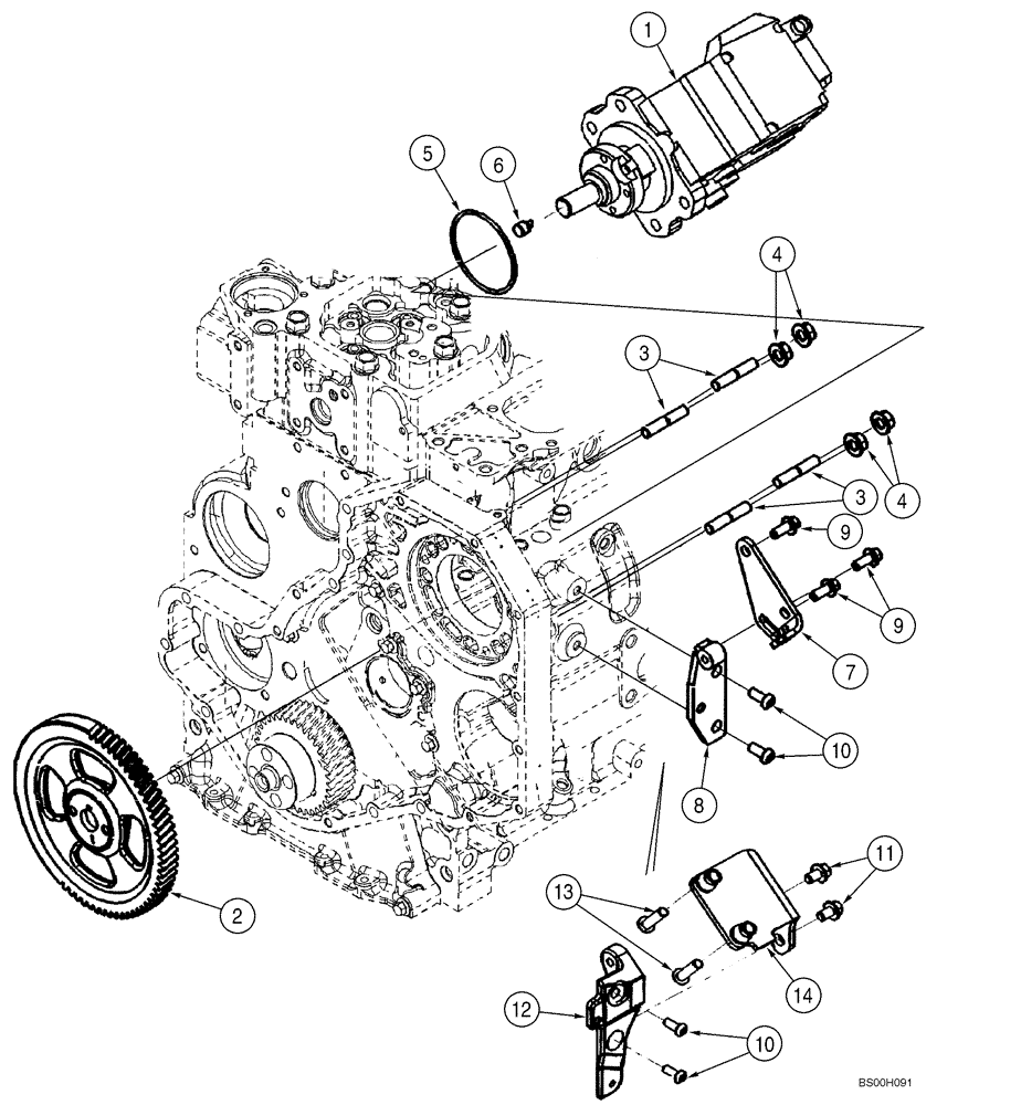
1

J937690

PUMP, FUEL INJECTION

PUMP, INJECTION Component Parts Not Available At Time of Printing; Replaces J944536

1шт.

1

JR937690

REMAN-INJECTION PUMP

Remanufactured Pump Assy Replaces JR944536

1шт.

1

JC937690

CORE-INJECTION PUMP

Return Part Number; Replaces JC944536

1шт.

2

J945280

GEAR

1шт.

3

86991263

STUD,M10 x 1.5 x 55

(2-5/32"); Replaces J915036

4шт.

4

825-2410

FLANGE NUT,M10 x 1.5, Flg, Cl 8

4шт.

5

J935032

SEAL

1шт.

6

J941975

DOWEL

1шт.

7

J942151

BRACE

No Longer Used; For Service Order J3093930, J945201, J945520, J945573, REF 11 - 14

1шт.

8

J941878

BRACE

No Longer Used; For Service Order J3093930, J945201, J945520, J945573, REF 11 - 14

1шт.

9

845-8020

BOLT,Hvy Hex, M8 x 20mm, Cl 8.8

3шт.

10

J942247

SCREW,Rd

2шт.

11

J3093930

SCREW,M10 x 16mm

M10 x 16

2шт.

12

J945201

SUPPORT

1шт.

13

J945520

SCREW,Rd , M10 x 1.5 x 37mm, Cl 10.9

2шт.

14

J945573

BRACE

1шт.

Выбрано товаров: 17