Запчасти Case CX290 (08-44) - ACCUMULATOR - PILOT PRESSURE, RETURN LINES (08) - HYDRAULICS

Схема запчастей Case CX290 - (08-44) - ACCUMULATOR - PILOT PRESSURE, RETURN LINES (08) - HYDRAULICS
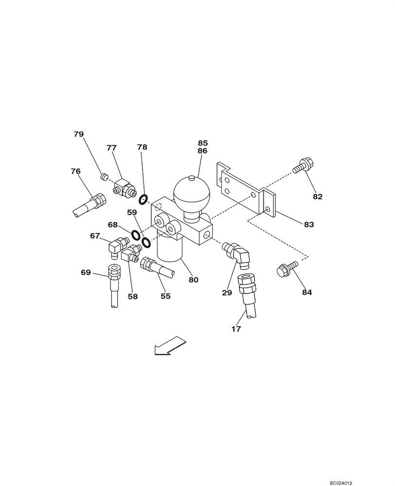
82
55
78
80
68
69
84
59
17
86
77
85
29
79
76
83
67
58
FIT
1:1
100%

Артикул

Название

Примечание

Количество

17

161175A1

HOSE ASSY.

See Figure 08-42

1шт.

29

KHJ1254

ELBOW

1шт.

55

157203A1

HOSE,2800.00 mm

2800 mm (110-1/4 in), See Figure 08-45

1шт.

58

150913A1

ELBOW,90 Degree, 1/4" O-Ring x 1/4"

Incl. 59

1шт.

59

154467A1

O-RING,10.8mm ID x 2.4mm Width

1шт.

67

150913A1

ELBOW,90 Degree, 1/4" O-Ring x 1/4"

Incl. 68

1шт.

68

154467A1

O-RING,10.8mm ID x 2.4mm Width

1шт.

69

255423A1

HOSE ASSY.

See Figure 08-41

1шт.

76

KHJ1264

HYDRAULIC HOSE,9.52 mm ID x 800.00 mm

See Figure 08-41

1шт.

77

167907A1

ELBOW

Incl. 78

1шт.

78

154487A1

O-RING

1шт.

79

158352A1

PLUG

1шт.

80

KHJ2431

MANIFOLD

1шт.

82

627-8020

BOLT,Hex, M8 x 1.25 x 20mm, Cl 10.9, Full Thd

3шт.

896-15008

WASHER,9mm ID x 21mm OD x 2.5mm Thk

3шт.

83

KRJ5948

BRACKET

1шт.

84

627-10020

BOLT,Hex, M10 x 1.5 x 20mm, Cl 10.9, Full Thd

2шт.

896-11010

WASHER,11mm ID x 21mm OD x 2.5mm Thk

2шт.

85

150894A1

ACCUMULATOR

Incl. 86

1шт.

86

154487A1

O-RING

1шт.

Выбрано товаров: 20