Запчасти Case CX290 (06-02) - TRANSMISSION ASSY - GEAR ASSY, REDUCTION (06) - POWER TRAIN

Схема запчастей Case CX290 - (06-02) - TRANSMISSION ASSY - GEAR ASSY, REDUCTION (06) - POWER TRAIN
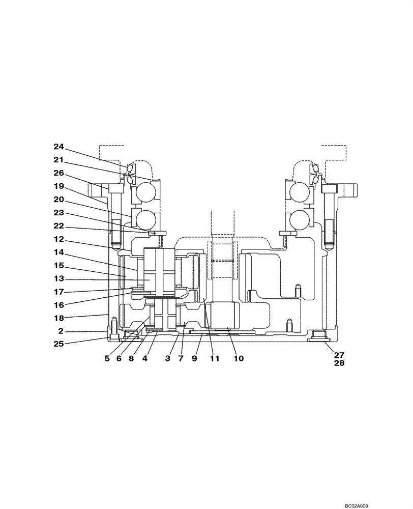
14
2
12
26
25
3
27
15
4
13
17
19
16
20
22
24
7
21
9
10
11
23
5
18
28
8
6
FIT
1:1
100%

Артикул

Название

Примечание

Количество

KBA1137

MOTO-REDUCTION GEAR

Incl. 2 - 28, Also Includes Parts On Figures 06-03 - 06-05

2шт.

LN00092

REDUCER

Incl. 2 - 28

1шт.

2

LW00381

COVER

1шт.

3

LN00093

HOUSING

1шт.

4

LA00829

DOWEL

3шт.

5

LB00789

NEEDLE BEARING

3шт.

6

LA00830

WASHER

6шт.

7

LC00199

PLANETARY GEAR

3шт.

8

738-1432

LOCK PIN,4mm OD x 32mm L, Slotted

3шт.

9

LR00857

PLATE

1шт.

10

LC00200

SUN GEAR

1шт.

11

LC00201

SUN GEAR

1шт.

12

LN00094

HOUSING

1шт.

13

LA00831

DOWEL

3шт.

14

LB00790

NEEDLE BEARING

3шт.

15

LC00202

PLANETARY GEAR

3шт.

16

738-1836

LOCK PIN,M8 x 36, Slotted

3шт.

17

LA00835

WASHER

6шт.

18

LC00203

RING GEAR

1шт.

19

LT00126

HOUSING

1шт.

20

LB00791

BEARING, BALL

2шт.

21

LH00319

SHIM

1шт.

22

LA00832

LOCK WASHER

2шт.

23

LE00992

RING

1шт.

24

LE00993

SEAL

1шт.

25

863-10025

HEX SOC SCREW,M10 x 25mm, Cl 12.9

22шт.

26

863-18100

HEX SOC SCREW,M18 x 100mm, Cl 12.9

22шт.

27

LK00383

PLUG

2шт.

28

154503A1

O-RING

2шт.

Выбрано товаров: 29