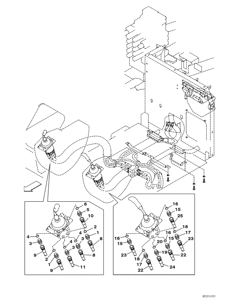
Запчасти Case CX290 (08-24) - HYDRAULICS - PILOT CONTROL LINES (08) - HYDRAULICS

Схема запчастей Case CX290 - (08-24) - HYDRAULICS - PILOT CONTROL LINES (08) - HYDRAULICS
22
25
3
4
15
18
18
10
4
9
15
2
16
19
8
4
22
11
15
5
2
1
3
6
17
8
23
24
16
9
3
16
23
17
20
1
FIT
1:1
100%

Артикул

Название

Примечание

Количество

Control Lines

1шт.

All Models

1шт.

1

KHJ1402

ADAPTER

Incl. 2

2шт.

2

154475A1

O-RING

1шт.

3

152128A1

HYD CONNECTOR,3/8" NPT O-Ring x 3/8" NPT

Incl. 4

3шт.

4

154475A1

O-RING

1шт.

5

161842A1

ADAPTER,3/8" - 19 NPT x 1/4" - 19 ORB

Incl. 6

1шт.

6

154467A1

O-RING,10.8mm ID x 2.4mm Width

1шт.

8

KRJ4336

HYDRAULIC HOSE,9.50 mm ID x 2200.00 mm

See Figures 08-25, 08-27, 08-29, 08-31

2шт.

9

168025A1

HYDRAULIC HOSE,9.50 mm ID x 1950.00 mm

See Figures 08-25, 08-27, 08-29, 08-31

2шт.

10

159214A1

HYDRAULIC HOSE

1200 mm (47-1/4 in), See Figure 08-23

1шт.

11

159213A1

HYDRAULIC HOSE

1150 mm (45-3/8 in), See Figure 08-23

1шт.

15

152128A1

HYD CONNECTOR,3/8" NPT O-Ring x 3/8" NPT

Incl. 16

3шт.

16

154475A1

O-RING

1шт.

17

KHJ1402

ADAPTER

Incl. 18

2шт.

18

154475A1

O-RING

1шт.

19

161842A1

ADAPTER,3/8" - 19 NPT x 1/4" - 19 ORB

Incl. 20

1шт.

20

154467A1

O-RING,10.8mm ID x 2.4mm Width

1шт.

22

KHJ1345

HYDRAULIC HOSE,9.52 mm ID x 2150.00 mm

See Figures 08-25, 08-27, 08-29, 08-31

2шт.

23

168025A1

HYDRAULIC HOSE,9.50 mm ID x 1950.00 mm

See Figures 08-25, 08-27, 08-29, 08-31

2шт.

24

159214A1

HYDRAULIC HOSE

1200 mm (47-1/4 in), See Figure 08-23

1шт.

25

159213A1

HYDRAULIC HOSE

1150 mm (45-3/8 in), See Figure 08-23

1шт.

Выбрано товаров: 22