Качественные детали и логистика
Оригинальные и аналоговые запчасти с доставкой по России, Казахстану и Беларуси
©2022 PartSell ООО "Система" ИНН 2463123282 ОГРН 1212400004838
Центральный офис: г. Красноярск, Академика Киренского, д.87, пом.4
Телефон: 8 (800) 777-65-74 Email: zakaz@partsell.ru
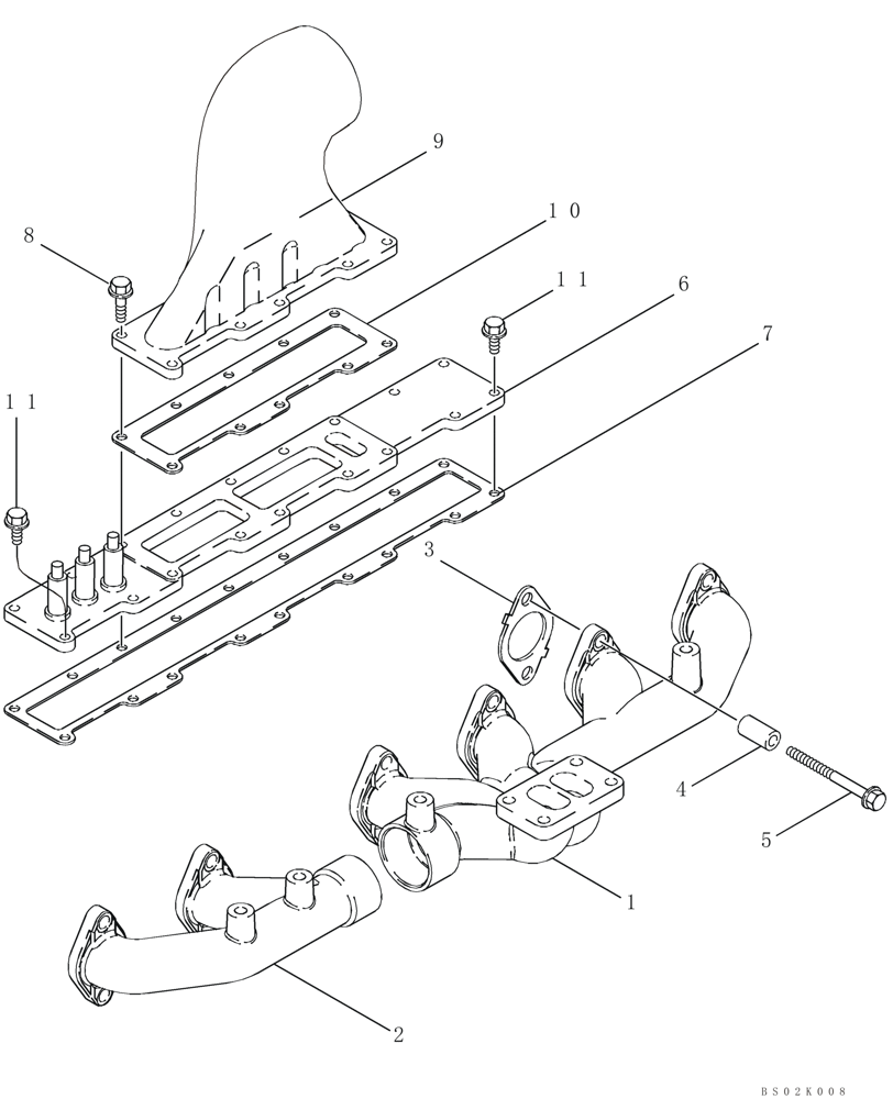
(02-08) - MANIFOLDS - EXHAUST AND INTAKE
№
Артикул
Название
Примечание
Количество
6TAA-8304 EMISSIONS CERTIFIED ENGINE
1шт.
EXHAUST
1
J943841
EXHAUST MANIFOLD
2
J937477
MANIFOLD
3
J937479
MANIFOLD GASKET
6шт.
4
J945252
SPACER
35 mm (1-3/8 in)
12шт.
5
J944593
BOLT
M8 x 165
INTAKE
6
J944222
HEATER
Air Intake
7
J944646
8
844-8040
BOLT,Hvy Hex, M8 x 40mm, Cl 8.8
10шт.
9
J943750
CONNECTION
10
87447963
GASKET
Replaces J944647
11
844-8030
BOLT,Hex, M8 x 1.25 x 30mm, Cl 8.8
3шт.
Выбрано товаров: 0