Запчасти Case CX330 (03-09) - FUEL INJECTION PUMP (03) - FUEL SYSTEM

Схема запчастей Case CX330 - (03-09) - FUEL INJECTION PUMP (03) - FUEL SYSTEM
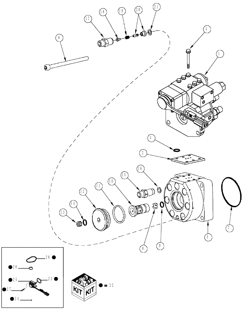
12
28
4
13
26
20
2
24
25
21
18
14
10
23
17
9
22
6
1
22
22
16
3
15
22
22
22
22
8
7
5
27
19
11
22
FIT
1:1
100%

Артикул

Название

Примечание

Количество

J4010269

REPAIR KIT

Distributor, Inc. 1 - 28

1шт.

JR4010269

REPAIR KIT

Distributor, Remanufactured

1шт.

JC4010269

SERVICE KIT

Return Part Number

1шт.

1

NSS

NOT SOLD SEPARAT

Valve, Control, Order Distributor Kit or Equalizer Kit

1шт.

87440896

KIT

Distributor, New

1шт.

87441038

REMAN-DISTRIBUTOR

Distributor, Remanufactured

1шт.

87441045

CORE-DISTRIBUTOR

Return Part Number Distributor

1шт.

87440895

KIT

Equalizer, ICV, New

1шт.

87441008

REMAN-EQUAL ICV KIT

Equalizer, ICV, Remanufactured

1шт.

87441037

CORE-EQUAL. ICV KIT

Return Part Number Equalizer

1шт.

2

NSS

NOT SOLD SEPARAT

Gasket, Mounting

1шт.

3

NSS

NOT SOLD SEPARAT

Seal

1шт.

4

NSS

NOT SOLD SEPARAT

Bolt

6шт.

5

NSS

NOT SOLD SEPARAT

Housing

1шт.

6

J347941

SCREW,Hex Skt

4шт.

7

J867645

O-RING,0.07" Thk x 2.364" ID

2шт.

8

J330644

HUB

1шт.

9

J867480

O-RING,0.07" Thk x 0.239" ID, -10, Cl 5, 75 Duro

1шт.

10

NSS

NOT SOLD SEPARAT

Shaft

1шт.

11

J348757

O-RING,1.424" ID x 1.63" OD

1шт.

12

J4002104

PLUG

1шт.

13

J678923

PLUG,M10 x 1

10 mm, Inc. 14

1шт.

14

J678925

O-RING,1.6mm Thk x 8.1mm ID, Cl 7, 75 Duro

1шт.

J800867

REPAIR KIT

Inlet, Inc. 15, 16

1шт.

15

NSS

NOT SOLD SEPARAT

Connector

1шт.

16

J4009898

DISC

1шт.

J800909

REPAIR KIT

Outlet, Inc. 17 - 21

6шт.

17

NSS

NOT SOLD SEPARAT

Connector

1шт.

18

NSS

NOT SOLD SEPARAT

Guide

1шт.

19

NSS

NOT SOLD SEPARAT

Spring

1шт.

20

NSS

NOT SOLD SEPARAT

Seat, Valve

1шт.

21

J867724

SEAL

1шт.

22

87442224

KIT

Stator, Inc. 23 - 28

1шт.

23

14454781

O-RING,0.07" Thk x 1.614" ID, -30, Cl 7, 75 Duro

2шт.

24

J867640

O-RING,0.07" Thk x 0.364" ID, -12, Cl 5, 75 Duro

1шт.

25

NSS

NOT SOLD SEPARAT

STATOR SOLENOID

1шт.

26

J4010636

SEAL

Fuel Pump Body

1шт.

27

NSS

NOT SOLD SEPARAT

SCREW

4шт.

28

237-8012

O-RING,0.116" Thk x 0.924" ID, -912, Cl 8, 90 Duro

1шт.

Выбрано товаров: 39