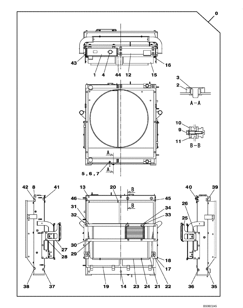
Запчасти Case CX330 (02-004-01[01]) - RADIATOR (02) - ENGINE

Схема запчастей Case CX330 - (02-004-01[01]) - RADIATOR (02) - ENGINE
8
37
41
17
45
12
10
20
27
38
5
23
21
42
1
7
18
44
15
46
36
32
40
26
43
35
13
29
33
24
19
31
2
30
6
16
0
14
22
39
28
11
3
4
9
34
25
FIT
1:1
100%

Артикул

Название

Примечание

Количество

0

KSH1028

RADIATOR

Incl. 1 - 46

1шт.

1

LN002080

RADIATOR

RADIATOR, Replaces LN001560

1шт.

2

LG005610

STRIP-GASKET

2шт.

3

LG005620

SILENTBLOC

2шт.

4

LR01142

RADIATOR CAP

1шт.

5

156602A1

COCK

1шт.

6

LK005320

HOSE

1шт.

7

LA00804

CLIP

1шт.

8

LT001690

FRAME

FRAME, Replaces LT001560

1шт.

9

LA010480

BOLT

M10 x 1.5 x 50

2шт.

10

LA011260

WASHER

Replaces LN001570

4шт.

11

LG005630

SILENTBLOC

2шт.

12

LN002090

OIL COOLER

COOLER, OIL, Replaces LN001570

1шт.

13

LA00792

BOLT

Replaces LA010500

2шт.

14

LA00792

BOLT

Replaces LA00781

2шт.

15

LW005280

SHROUD

SHROUD, Replaces LW004690

1шт.

16

158870A1

BOLT

6шт.

17

LS003540

SUPPORT

BRACKET, Replaces LS002860

2шт.

18

158870A1

BOLT

6шт.

19

LG006280

RADIATOR GRILLE

GRILLE, REDIATOR, Replaces LG005640

2шт.

20

156606A1

BOLT,Wing, M6

M6 x 1.0

4шт.

21

LN002110

INTERCOOLER

INTERCOOLER, Replaces LN001580

1шт.

22

LA010500

BOLT

M10 x 1.5 x 35

4шт.

23

LG006290

RADIATOR GRILLE

GRILLE, RADIATOR, Replaces LG005650

1шт.

24

156606A1

BOLT,Wing, M6

M6 x 1.0

4шт.

25

LS003380

SUPPORT

Replaces LS002870

1шт.

26

LA00781

BOLT

M12 x 1.75 x 25

2шт.

27

LS003550

SUPPORT

BRACKET, Replaces LS002880

1шт.

28

LA00781

BOLT

M12 x 1.75 x 25

2шт.

29

LS003560

SUPPORT

BRACKET, Replaces LS002890

1шт.

30

158870A1

BOLT

2шт.

31

LS003570

SUPPORT

BRACKET, Replaces LS002900

1шт.

32

158870A1

BOLT

2шт.

33

LN001760

FUEL COOLER

Replaces LN001590

1шт.

34

LA00677

BOLT,Spcl

4шт.

35

NSS

NOT SOLD SEPARAT

1шт.

36

NSS

NOT SOLD SEPARAT

1шт.

37

NSS

NOT SOLD SEPARAT

1шт.

38

NSS

NOT SOLD SEPARAT

1шт.

39

NSS

NOT SOLD SEPARAT

1шт.

40

NSS

NOT SOLD SEPARAT

1шт.

41

NSS

NOT SOLD SEPARAT

1шт.

42

NSS

NOT SOLD SEPARAT

1шт.

43

NSS

NOT SOLD SEPARAT

2шт.

44

NSS

NOT SOLD SEPARAT

1шт.

45

NSS

NOT SOLD SEPARAT

4шт.

46

NSS

NOT SOLD SEPARAT

2шт.

Выбрано товаров: 47