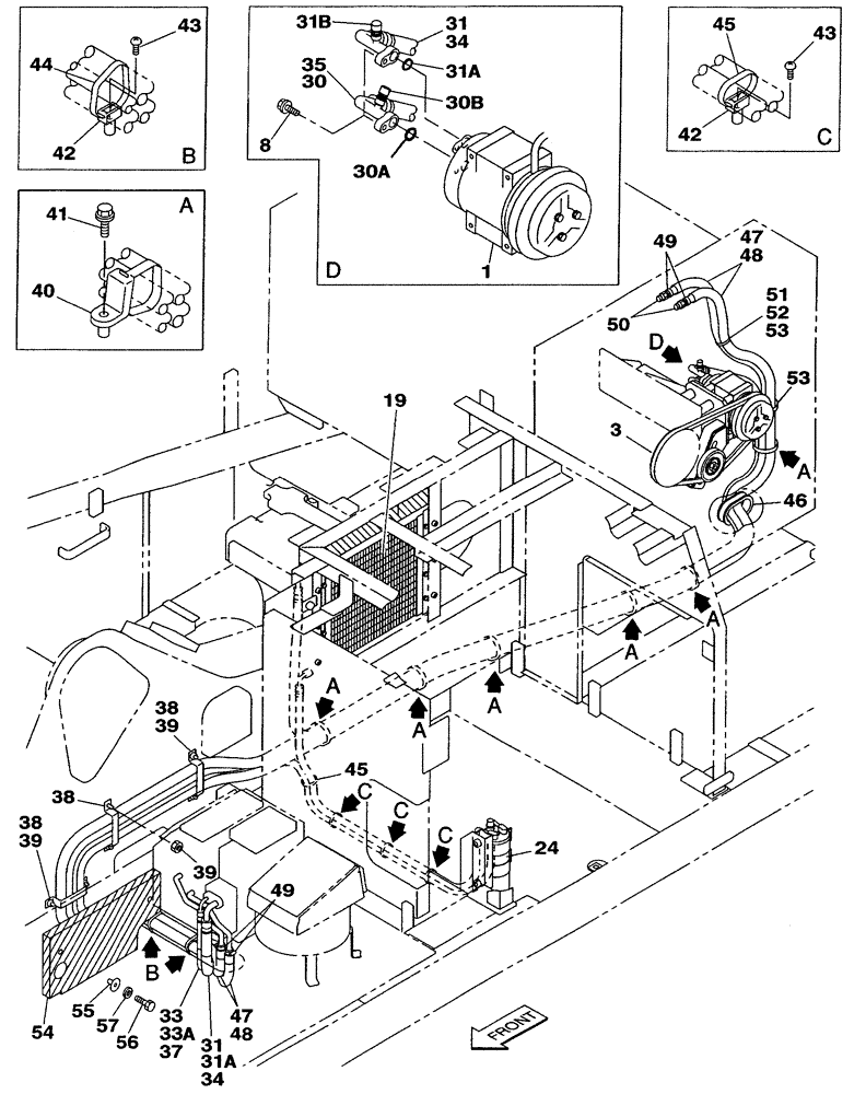
Запчасти Case CX350 (09-059-00[01]) - AIR CONDITIONING - UPPERSTRUCTURE CHASSIS (09) - CHASSIS

Схема запчастей Case CX350 - (09-059-00[01]) - AIR CONDITIONING - UPPERSTRUCTURE CHASSIS (09) - CHASSIS
39
46
38
49
55
34
8
44
51
49
53
48
3
33a
56
41
42
47
42
45
54
30a
43
1
31a
31
43
24
33
38
38
52
37
31a
53
31b
45
19
35
39
34
48
50
30
47
39
57
30b
31
40
FIT
1:1
100%

Артикул

Название

Примечание

Количество

1

KHR3197

COMPRESSOR

1шт.

See Page(s) 02-009-00-01

1шт.

KHR3197R

REMAN-COMPRESSOR

CX330, CX350 (EUROPE)

1шт.

KHR3197C

CORE-COMPRESSOR

Return Number

1шт.

3

159639A1

V-BELT

Valid for ISUZU engine

1шт.

3

165843A1

V-BELT

Valid for CUMMINS engine

1шт.

8

162457A1

SPECIAL BOLT,Spcl

2шт.

19

KHR2989

CONDENSER

1шт.

See Page(s) 09-061-00-01

1шт.

24

167528A1

RECEIVER-DRYER

1шт.

See Page(s) 09-061-00-01

1шт.

30

KHR3167

HOSE

1шт.

Consists Of Ref. Numbers 30A, 30B

1шт.

30a

169053A1

O-RING

2шт.

30b

KHR3053

CAP

1шт.

31

KHR3168

HOSE

1шт.

Consists Of Ref. Numbers 31A, 31B

1шт.

31a

169052A1

O-RING

2шт.

31b

KHR3054

CAP

1шт.

33

KHR3088

HOSE

1шт.

Consists Of Ref. Number 33A

1шт.

33a

169054A1

O-RING

2шт.

34

KBR0668

PLASTIC-RUBBER TUBE

1шт.

35

158069A1

PLASTIC-RUBBER TUBE

1шт.

36

157768A1

PLASTIC-RUBBER TUBE

1шт.

37

151175A1

PLASTIC-RUBBER TUBE

1шт.

38

159037A1

MOUNTING CLIP

3шт.

39

150469A1

FLANGE NUT

6шт.

40

KHR2581

CLAMP

6шт.

41

KHJ1215

BOLT,Spcl

6шт.

42

150860A1

COLLAR

5шт.

43

840-168

SCREW,Pan, M6 x 1 x 8mm, Cl 4.8

5шт.

44

150071A1

MOUNTING CLIP

380 mm

2шт.

45

150496A1

MOUNTING CLIP

250 mm

5шт.

46

KEJ0421

GROMMET

1шт.

47

163162A1

HOSE,5200mm L

2шт.

49

157271A1

CLIP

4шт.

50

159655A1

ELBOW

2шт.

51

150860A1

COLLAR

1шт.

52

840-168

SCREW,Pan, M6 x 1 x 8mm, Cl 4.8

1шт.

53

150071A1

MOUNTING CLIP

380 mm

2шт.

54

KTR0531

FOAM INSULATION

1шт.

55

KHH0358

RETAINER

2шт.

56

827-8040

BOLT,Hex, M8 x 1.25 x 40mm, Cl 10.9

2шт.

57

895-11008

WASHER,9mm ID x 16mm OD x 1.6mm Thk

2шт.

Выбрано товаров: 45