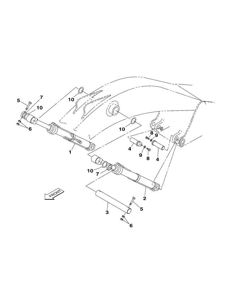
Запчасти Case CX350 (09-099-00[01]) - BOOM CYLINDER (09) - CHASSIS

Схема запчастей Case CX350 - (09-099-00[01]) - BOOM CYLINDER (09) - CHASSIS
4
3
6
4
10
9
6
1
2
10
5
8
7
10
8
10
5
9
7
FIT
1:1
100%

Артикул

Название

Примечание

Количество

1

KSV1393

HYDRAULIC CYLINDER

1шт.

See Page(s) 08-191-00

1шт.

1

REF

INSTRUCTION

1шт.

See Page(s) 08-047-00

1шт.

2

KSV1394

HYDRAULIC CYLINDER

1шт.

See Page(s) 08-199-00

1шт.

2

REF

INSTRUCTION

1шт.

3

KSV1416

PIN

1шт.

4

KSV1415

PIN

2шт.

5

514-1404

BOLT,Hex, M24 x 2 x 190mm, Cl 10.9

M24 x 190; 10.9

2шт.

6

829-13424

NUT,M24 x 2, Cl 10

4шт.

7

KSV1352

RING, LOCKING

RING, LOCK

2шт.

8

102R020Y035R

BOLT

M20 x 35

2шт.

9

KTV1185

SPACER

2шт.

10

162102A1

SHIM

1шт.

Выбрано товаров: 15