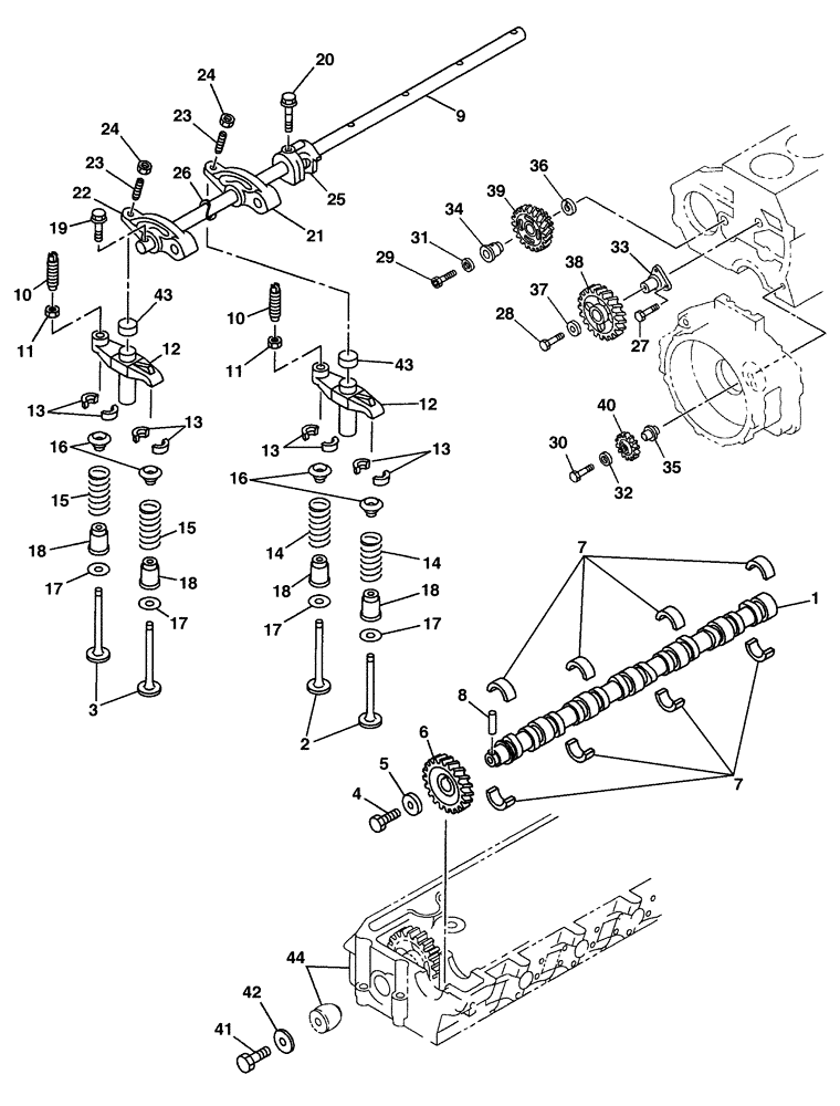
Запчасти Case CX350 (02-049-00[01]) - CAMSHAFT - VALVE MECHANISM (03) - FUEL SYSTEM

Схема запчастей Case CX350 - (02-049-00[01]) - CAMSHAFT - VALVE MECHANISM (03) - FUEL SYSTEM
15
36
17
16
15
41
43
13
18
16
6
12
7
11
23
18
23
12
44
5
25
27
32
29
20
7
43
30
35
38
24
22
3
34
17
39
28
14
10
21
17
26
1
4
24
2
37
9
14
10
42
17
13
19
40
8
18
13
18
33
31
13
11
FIT
1:1
100%

Артикул

Название

Примечание

Количество

1

438038A1

CAMSHAFT

1шт.

2

438115A1

VALVE,ENGINE,INLET,S

VALVE INTAKE

12шт.

3

438116A1

VALVE, ENG EXHAUST,

VALVE EXHAUST

12шт.

4

438128A1

BOLT

1шт.

5

289838A1

WASHER

1шт.

6

438162A1

GEAR

1шт.

7

87436831

CRANKSHAFT BEARING

8шт.

8

438149A1

PIN

1шт.

9

438078A1

SHAFT

1шт.

10

438100A1

SCREW

1шт.

11

438187A1

NUT

1шт.

12

438064A1

ROCKER

1шт.

13

355173A1

SEAT, VALVE

48шт.

14

438117A1

SPRING

12шт.

Intake

1шт.

15

438118A1

SPRING

12шт.

Exhaust

1шт.

16

438045A1

SEAT, VALVE

24шт.

17

438053A1

SEAT, VALVE

24шт.

18

353977A1

OIL SEAL

24шт.

19

288984A1

BOLT

M8 x 40

2шт.

20

438082A1

BOLT

5шт.

21

87447730

ROCKER

6шт.

Intake

1шт.

22

87447729

ROCKER ARM

6шт.

Exhaust

1шт.

23

438104A1

SCREW

12шт.

24

289779A1

NUT

12шт.

25

438114A1

BRACKET

5шт.

26

438079A1

SPRING

6шт.

27

437850A1

BOLT

3шт.

28

438193A1

BOLT

1шт.

29

438099A1

BOLT

1шт.

30

87458154

FLANGE BOLT

2шт.

31

87457954

WASHER

1шт.

32

87458149

WASHER

1шт.

33

438167A1

SHAFT

1шт.

34

87326111

BUSHING

1шт.

35

438106A1

SHAFT

1шт.

36

438089A1

COLLAR

1шт.

37

87458149

WASHER

1шт.

38

438084A1

GEAR

1шт.

39

438088A1

GEAR

1шт.

40

438095A1

GEAR

1шт.

41

438031A1

BOLT

1шт.

42

87458149

WASHER

1шт.

43

438121A1

CAP

12шт.

44

REF

INSTRUCTION

Cylinder Head

1шт.

See Page(s) 02-045-00

1шт.

Выбрано товаров: 49