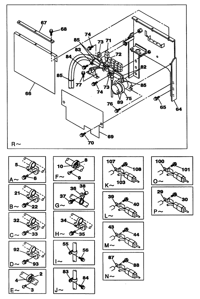
Запчасти Case CX350 (04-009-01[02]) - ELECTRICAL CIRCUIT - UPPERSTRUCTURE CHASSIS (05) - STEERING

Схема запчастей Case CX350 - (04-009-01[02]) - ELECTRICAL CIRCUIT - UPPERSTRUCTURE CHASSIS (05) - STEERING
101
4
65
9
73
56
21
37
74
108
69
33
85
84
68
55
8
92
71
29
85
44
5
36
30
72
39
6
73
46
107
89
3
67
38
87
77
35
82
2
22
43
93
83
84
103
88
10
64
34
40
75
32
85
100
66
70
74
83
FIT
1:1
100%

Артикул

Название

Примечание

Количество

2

150860A1

COLLAR

1шт.

3

840-168

SCREW,Pan, M6 x 1 x 8mm, Cl 4.8

1шт.

4

150496A1

MOUNTING CLIP

250 mm

1шт.

5

KHR2581

CLAMP

3шт.

6

KHJ1215

BOLT,Spcl

3шт.

8

150860A1

COLLAR

1шт.

9

840-168

SCREW,Pan, M6 x 1 x 8mm, Cl 4.8

1шт.

10

150496A1

MOUNTING CLIP

250 mm

2шт.

21

KHR2581

CLAMP

5шт.

22

KHJ1215

BOLT,Spcl

5шт.

29

158962A1

CLIP

1шт.

30

167518A1

BOLT

M8 x 16

1шт.

32

KHR2581

CLAMP

4шт.

33

KHJ1215

BOLT,Spcl

4шт.

34

KHR2584

CLAMP

3шт.

35

KHJ1215

BOLT,Spcl

3шт.

36

KHR2583

CLAMP

1шт.

37

KHR1832

SPECIAL BOLT

M5 x 25

1шт.

38

152158A1

SPACER

1шт.

39

158962A1

CLIP

1шт.

40

167518A1

BOLT

M8 x 16

1шт.

43

158962A1

CLIP

1шт.

44

167518A1

BOLT

M8 x 16

1шт.

55

162149A1

COLLAR

3шт.

Serial Number : CX330 LC / CX330LR / CX330NLC / CX350 DCH33B0101 To DC33B0424

1шт.

55

162150A1

CLAMP

3шт.

Serial Number : CX330 LC / CX330LR / CX330NLC / CX350 DC33B0425 And After

1шт.

56

167518A1

BOLT

M8 x 16

3шт.

64

KSR0919

SUPPORT

1шт.

65

166352A1

BOLT

M12 x 30

4шт.

66

KTR0521

PAD, RUBBER

1шт.

67

KMR0766

PLATE

1шт.

68

159602A1

BOLT,Sems, Hex, M6 x 16mm

M6 x 16

3шт.

69

KSR0922

COVER

1шт.

70

166352A1

BOLT

M12 x 30

2шт.

71

159902A1

FUSE

1шт.

72

KHR3850

FUSE

1шт.

73

KHR2584

CLAMP

2шт.

74

KHR2309

BOLT,Spcl

M8 x 30

2шт.

75

159897A1

RELAY

1шт.

76

KHR2309

BOLT,Spcl

M8 x 30

2шт.

77

167518A1

BOLT

M8 x 16

2шт.

82

162212A1

TERMINAL CONNECTOR

2шт.

83

162149A1

COLLAR

1шт.

Serial Number : CX330 LC / CX330LR / CX330NLC / CX350 DCH33B0101 To DC33B0424

1шт.

83

162150A1

CLAMP

3шт.

Serial Number : CX330 LC / CX330LR / CX330NLC / CX350 DC33B0425 And After

1шт.

84

167518A1

BOLT

M8 x 16

1шт.

85

150496A1

MOUNTING CLIP

250 mm

1шт.

87

158962A1

CLIP

1шт.

88

167518A1

BOLT

M8 x 16

1шт.

89

159171A1

CAP

2шт.

92

KHR2584

CLAMP

2шт.

93

KHJ1215

BOLT,Spcl

2шт.

100

165405A1

CLIP

1шт.

101

156559A1

BOLT,High Strength, Hex, M6 x 12mm, W/ LW

M6 x 12

1шт.

103

KHR3170

HARNESS

1шт.

107

158962A1

CLIP

1шт.

108

167518A1

BOLT

M8 x 16

1шт.

REF

INSTRUCTION

Electrical, Circuit

1шт.

See Page(s) 04-009-00-02

1шт.

Выбрано товаров: 61