Запчасти Case CX460 (08-55) - HYDRAULICS, AUXILIARY - MULTI-PURPOSE + 3 WAY VALVE, TRIGGER ACTIVATED (08) - HYDRAULICS

Схема запчастей Case CX460 - (08-55) - HYDRAULICS, AUXILIARY - MULTI-PURPOSE + 3 WAY VALVE, TRIGGER ACTIVATED (08) - HYDRAULICS
131
130
84
77
86
83
81
75
129
80
80
71
132
130
79
78
73
81
76
130
bc02k219
74
78
131
72
79
76
73
77
85
FIT
1:1
100%

Артикул

Название

Примечание

Количество

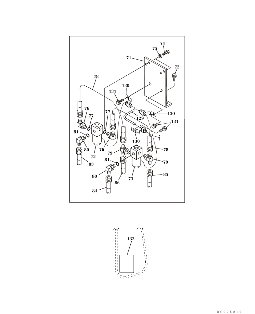
71

KSJ2835

BRACKET

1шт.

72

152718A1

BOLT,Spcl, Hex Wshr, M12 x 25mm, Cl 10.9

2шт.

73

162538A1

VALVE

Solenoid; See Figure(s) 08-53, 08-82

2шт.

74

627-6012

BOLT,Hex, M6 x 1 x 12mm, Cl 10.9, Full Thd

4шт.

75

892-11006

LOCK WASHER,M6

4шт.

76

150913A1

ELBOW,90 Degree, 1/4" O-Ring x 1/4"

Incl. 77

2шт.

77

154467A1

O-RING,10.8mm ID x 2.4mm Width

1шт.

78

168780A1

HYDRAULIC HOSE,6.30 mm ID x 350.00 mm

2шт.

79

167321A1

TEE

2шт.

80

150913A1

ELBOW,90 Degree, 1/4" O-Ring x 1/4"

Incl. 81

2шт.

81

154467A1

O-RING,10.8mm ID x 2.4mm Width

1шт.

83

KRJ4748

PLASTIC-RUBBER TUBE

See Figure 08-54

1шт.

84

KAJ3243

HYDRAULIC HOSE

See Figure 08-54

1шт.

85

151888A1

HOSE,63.00 mm ID x 1350.00 mm

See Figure 08-53

1шт.

86

161494A1

HOSE ASSY.

See Figure 08-54

1шт.

129

KHR3870

WIRE HARNESS

1шт.

130

158962A1

CLIP

3шт.

131

167518A1

BOLT

3шт.

132

KHP1755

DECAL

1шт.

Выбрано товаров: 19