Запчасти Case CX460 (08-94) - HIGH PRESSURE PUMP - SOLENOID VALVE (08) - HYDRAULICS

Схема запчастей Case CX460 - (08-94) - HIGH PRESSURE PUMP - SOLENOID VALVE (08) - HYDRAULICS
76
65
73
64
78
60
63
75
65
77
71
72
70
69
61
66
74
62
68
65
FIT
1:1
100%

Артикул

Название

Примечание

Количество

KTJ10810

HYDRAULIC PUMP

Includes All Parts On Figure 08-90 - 08-94

1шт.

KTJ10810R

REMAN-HYD PUMP

CX460 CRAWLER EXCAVATOR TIER 3 (NA), SOLENOID VALVE (1/07-)

1шт.

KTJ10810C

CORE-HYDRAULIC PUMP

Return Number

1шт.

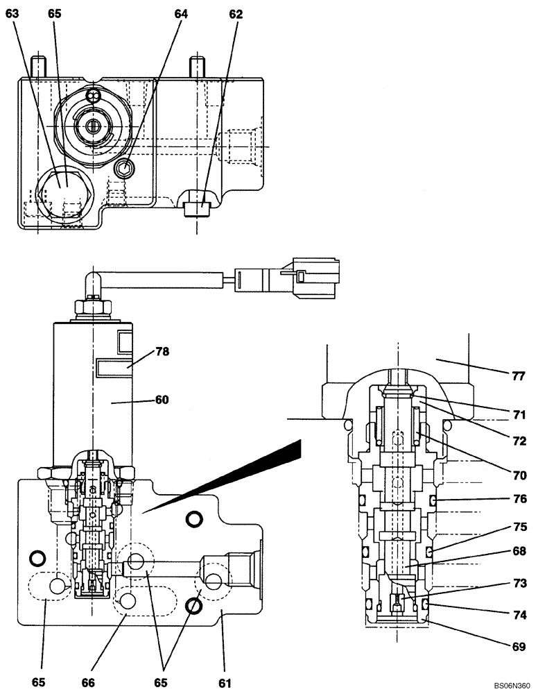
60

LJ014460

VALVE SECTION

Incl. 61 - 78

1шт.

61

NSS

NOT SOLD SEPARAT

Case

1шт.

62

862-6060

HEX SOC SCREW,M6 x 60mm, Cl 12.9

3шт.

63

155496A1

PLUG

1шт.

64

LK00003

PLUG

3шт.

65

LE013410

O-RING

4шт.

66

LE013420

O-RING

1шт.

68

NSS

NOT SOLD SEPARAT

Spool, Valve

1шт.

69

NSS

NOT SOLD SEPARAT

Sleeve

1шт.

70

NSS

NOT SOLD SEPARAT

Spring, Compression

1шт.

71

NSS

NOT SOLD SEPARAT

Ring

1шт.

72

NSS

NOT SOLD SEPARAT

Seat, Spring

1шт.

73

NSS

NOT SOLD SEPARAT

Orifice

1шт.

74

155203A1

O-RING

1шт.

75

155204A1

O-RING

1шт.

76

160652A1

O-RING

1шт.

77

LL00055

SOLENOID

1шт.

78

NSS

NOT SOLD SEPARAT

Nameplate

1шт.

Выбрано товаров: 21