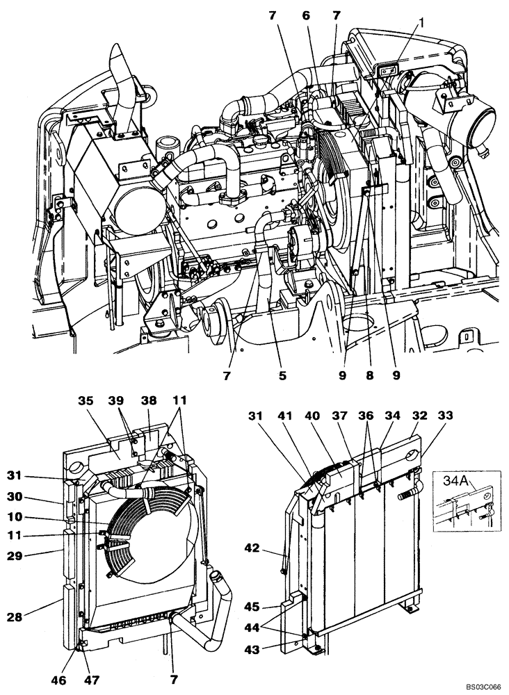
Запчасти Case CX75SR (02-05) - RADIATOR AND CONNECTIONS (02) - ENGINE

Схема запчастей Case CX75SR - (02-05) - RADIATOR AND CONNECTIONS (02) - ENGINE
30
11
39
45
6
9
7
36
38
37
34a
9
7
47
31
42
32
7
3
31
29
8
7
3
44
35
1
11
46
28
40
5
10
41
43
FIT
1:1
100%

Артикул

Название

Примечание

Количество

1

KAH1348

RADIATOR

See Figure 02-06, 02-06A

1шт.

5

KAH1349

RADIATOR HOSE

1шт.

6

KAH1350

RADIATOR HOSE

1шт.

7

165791A1

CLIP

4шт.

8

KAH1373

STAY

1шт.

9

166052A1

BOLT

2шт.

10

KAH1351

GUARD

Fan

1шт.

11

166345A1

BOLT

3шт.

28

KAH1357

SEAL

1шт.

29

KAH1358

SEAL

1шт.

30

KAH1359

SEAL

1шт.

31

KAH1303

SEAL

2шт.

32

KAH1360

SEAL

No Longer Available, Order KAH1410

1шт.

33

KAH1361

SEAL

No Longer Available, Order KAH1410

1шт.

34

KAH1362

SEAL

No Longer Available, Order KAH1410

1шт.

34a

KAH1410

SEAL

One Piece Which Replaces KAH1360, KAH1361, KAH1362

1шт.

35

KAH1368

SEAL

1шт.

36

166345A1

BOLT

2шт.

37

KAH1363

SEAL

1шт.

38

KAH1369

SEAL

1шт.

39

166345A1

BOLT

2шт.

40

KAH1364

SEAL

1шт.

41

KAH1365

SEAL

1шт.

42

KAH1366

SEAL

1шт.

43

KAH1370

SEAL

1шт.

44

166345A1

BOLT

2шт.

45

KAH1367

SEAL

1шт.

46

KAH1371

SEAL

1шт.

47

166345A1

BOLT

2шт.

Выбрано товаров: 29