Качественные детали и логистика
Оригинальные и аналоговые запчасти с доставкой по России, Казахстану и Беларуси
©2022 PartSell ООО "Система" ИНН 2463123282 ОГРН 1212400004838
Центральный офис: г. Красноярск, Академика Киренского, д.87, пом.4
Телефон: 8 (800) 777-65-74 Email: zakaz@partsell.ru
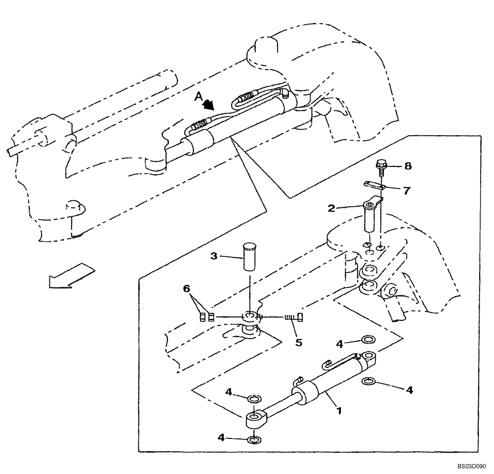
(09-42A) - BOOM CYLINDER, MOUNTING - MODELS WITH OFFSET BOOM
№
Артикул
Название
Примечание
Количество
1
KAV2442
HYDRAULIC CYLINDER
Boom; See Figure 08-85
1шт.
2
KAV2471
PIN
3
KAV2472
4
166403A1
WASHER
5
514-866
BOLT,Hex, M12 x 1.25 x 120mm, Cl 8.8, Full Thd
6
829-11412
NUT,M12 x 1.25, Cl 10
2шт.
7
KHV0456
PLATE
8
166351A1
BOLT,Sems, M10 x 20mm
Выбрано товаров: 0