Запчасти Case CX75SR (08-10) - HYDRAULICS - DRAIN LINE, MODELS WITH LOAD HOLD (08) - HYDRAULICS

Схема запчастей Case CX75SR - (08-10) - HYDRAULICS - DRAIN LINE, MODELS WITH LOAD HOLD (08) - HYDRAULICS
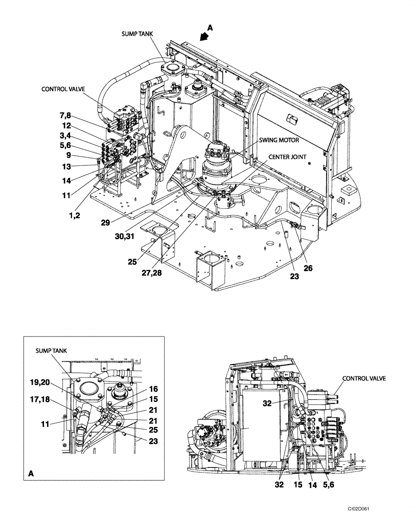
27,28
29
12
3,4
25
30,31
32
25
15
14
32
23
19,20
21
14
13
26
11
11
5,6
17,18
1,2
16
15
7,8
5,6
9
23
21
FIT
1:1
100%

Артикул

Название

Примечание

Количество

1

152127A1

HYD CONNECTOR,1/4" NPT O-Ring x 1/4" NPT

Incl. 2

1шт.

2

154467A1

O-RING,10.8mm ID x 2.4mm Width

1шт.

3

167666A1

FITTING

Incl. 4

1шт.

4

154467A1

O-RING,10.8mm ID x 2.4mm Width

1шт.

5

159497A1

TEE

Incl. 6

2шт.

6

154467A1

O-RING,10.8mm ID x 2.4mm Width

1шт.

7

150913A1

ELBOW,90 Degree, 1/4" O-Ring x 1/4"

Incl. 8

1шт.

8

154467A1

O-RING,10.8mm ID x 2.4mm Width

1шт.

9

KHJ1178

ELBOW

1шт.

11

KHJ2059

HOSE

1шт.

12

KHJ2292

HOSE

1шт.

13

KHJ2309

HOSE

1шт.

14

KHJ2092

HOSE

1шт.

15

KHJ2048

HOSE,6.3mm ID x 750mm L

1шт.

16

163814A1

ELBOW

1шт.

17

KHJ1445

ELBOW

Incl. 18

1шт.

18

154475A1

O-RING

1шт.

19

KHJ1964

ADAPTER

Incl. 20

1шт.

20

154475A1

O-RING

1шт.

21

153526A1

ELBOW

2шт.

23

KHJ2323

HOSE

1шт.

25

KHJ2318

HOSE

1шт.

26

KHJ1966

ADAPTER

1шт.

27

164107A1

TEE,3/8" ORB x 3/8" - 19 NPT x 3/8" - 19 NPT

Incl. 28

1шт.

28

154475A1

O-RING

1шт.

29

KHJ2294

HYDRAULIC HOSE,9.50 mm ID x 320.00 mm

1шт.

30

152128A1

HYD CONNECTOR,3/8" NPT O-Ring x 3/8" NPT

Incl. 31

1шт.

31

154475A1

O-RING

1шт.

32

150496A1

MOUNTING CLIP

1шт.

Выбрано товаров: 29