Качественные детали и логистика
Оригинальные и аналоговые запчасти с доставкой по России, Казахстану и Беларуси
©2022 PartSell ООО "Система" ИНН 2463123282 ОГРН 1212400004838
Центральный офис: г. Красноярск, Академика Киренского, д.87, пом.4
Телефон: 8 (800) 777-65-74 Email: zakaz@partsell.ru
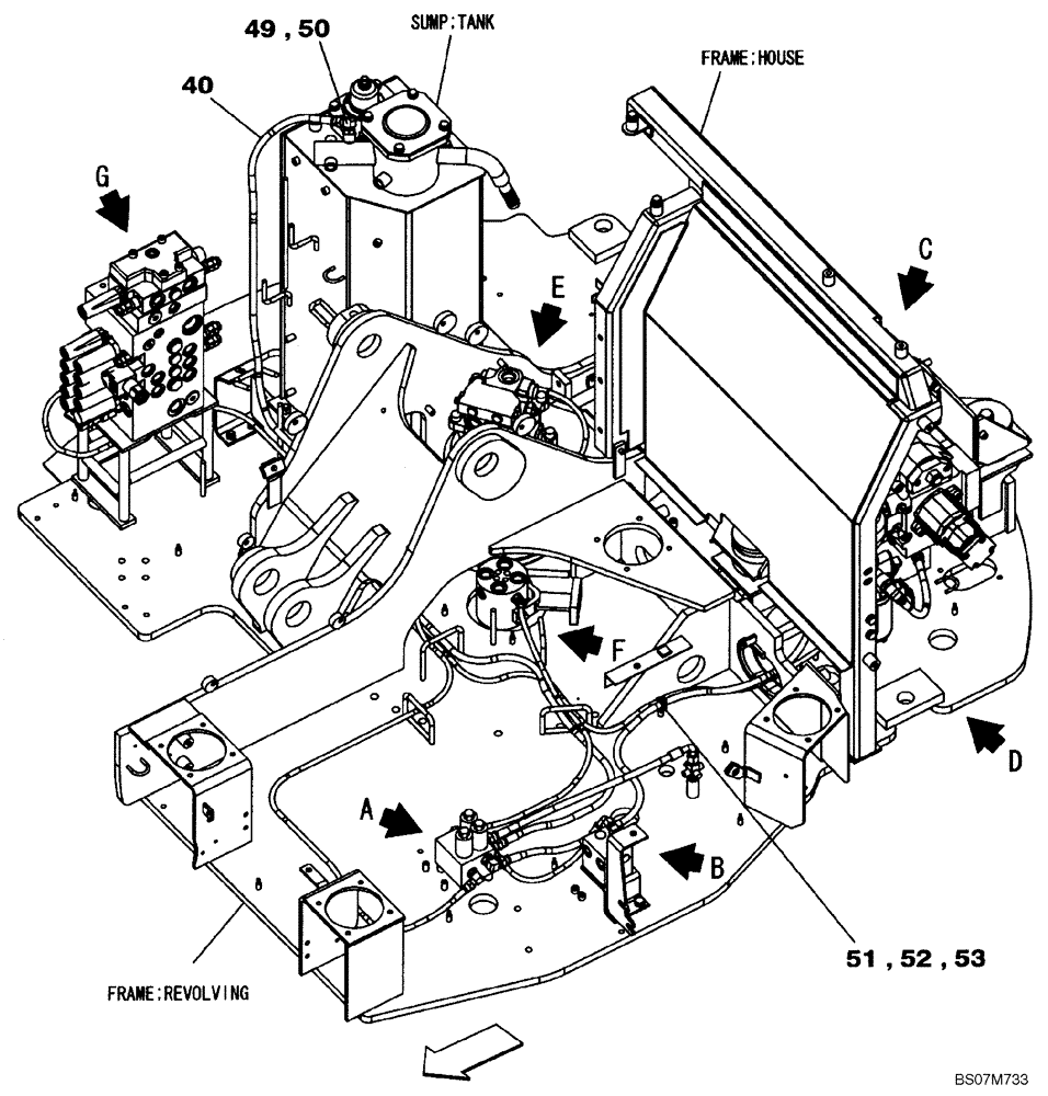
(08-32) - HYDRAULICS - PILOT PRESSURE, RETURN LINES
№
Артикул
Название
Примечание
Количество
40
KHJ2135
HOSE
9X2500
1шт.
49
150916A1
ELBOW,90 Degree, 3/8" O-Ring x 3/8"
50
154475A1
O-RING
51
150860A1
COLLAR
3шт.
52
840-168
SCREW,Pan, M6 x 1 x 8mm, Cl 4.8
53
150496A1
MOUNTING CLIP
Выбрано товаров: 0