Качественные детали и логистика
Оригинальные и аналоговые запчасти с доставкой по России, Казахстану и Беларуси
©2022 PartSell ООО "Система" ИНН 2463123282 ОГРН 1212400004838
Центральный офис: г. Красноярск, Академика Киренского, д.87, пом.4
Телефон: 8 (800) 777-65-74 Email: zakaz@partsell.ru
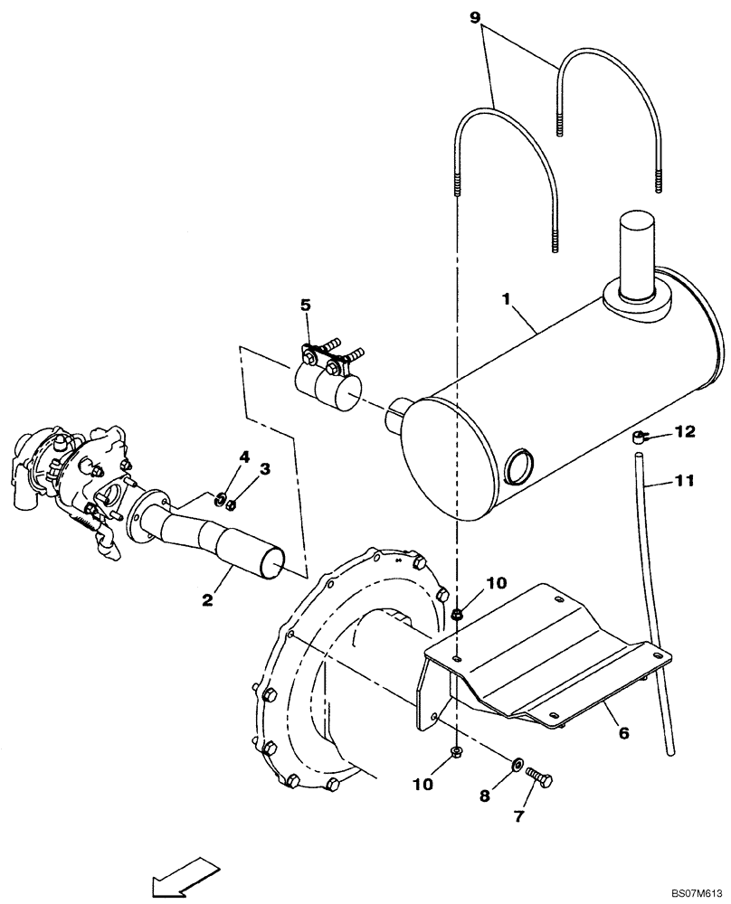
(02-03) - EXHAUST SYSTEM - MUFFLER
№
Артикул
Название
Примечание
Количество
1
KAH11200
MUFFLER
1шт.
2
KAH11750
EXHAUST SYSTEM PIPE
3
829-1408
NUT,Hex, M8 x 1.25, Cl 10.9
3шт.
4
183-108VR
SPRING WASHER
5
KEH0326
CLAMP
6
KAH11320
BRACKET
7
627-10035
BOLT,Hex, M10 x 1.5 x 35mm, Cl 10.9, Full Thd
8
150409A1
WASHER
9
KHH12000
U-BOLT
BOLT "U"
2шт.
10
KHH11430
FLANGE NUT
8шт.
11
157476A1
12
165952A1
MOUNTING CLIP
Выбрано товаров: 0