Запчасти Case CX75SR (08-56) - HYDRAULICS, AUXILIARY - DOUBLE ACTING CIRCUIT (08) - HYDRAULICS

Схема запчастей Case CX75SR - (08-56) - HYDRAULICS, AUXILIARY - DOUBLE ACTING CIRCUIT (08) - HYDRAULICS
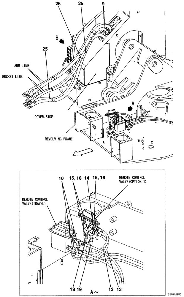
25
13
15
9
25
12
26
16
16
19
14
18
15
10
FIT
1:1
100%

Артикул

Название

Примечание

Количество

9

KHJ2023

HOSE CLAMP

2шт.

10

KHJ2130

TEE

2шт.

12

KHJ2084

HOSE

1шт.

13

KHJ2238

HOSE

1шт.

14

161841A1

HYD CONNECTOR

1шт.

15

152127A1

HYD CONNECTOR,1/4" NPT O-Ring x 1/4" NPT

Incl. 16

3шт.

16

154467A1

O-RING,10.8mm ID x 2.4mm Width

1шт.

18

KHJ2312

HOSE,6mm ID x 2500mm L

1шт.

19

KHJ2069

HOSE

1шт.

25

150496A1

MOUNTING CLIP

2шт.

26

150498A1

MOUNTING CLIP

1шт.

Выбрано товаров: 11