Запчасти Case CX75SR (08-63) - HYDRAULICS, AUXILIARY - MULTI-PURPOSE + 3 WAY VALVE (08) - HYDRAULICS

Схема запчастей Case CX75SR - (08-63) - HYDRAULICS, AUXILIARY - MULTI-PURPOSE + 3 WAY VALVE (08) - HYDRAULICS
112
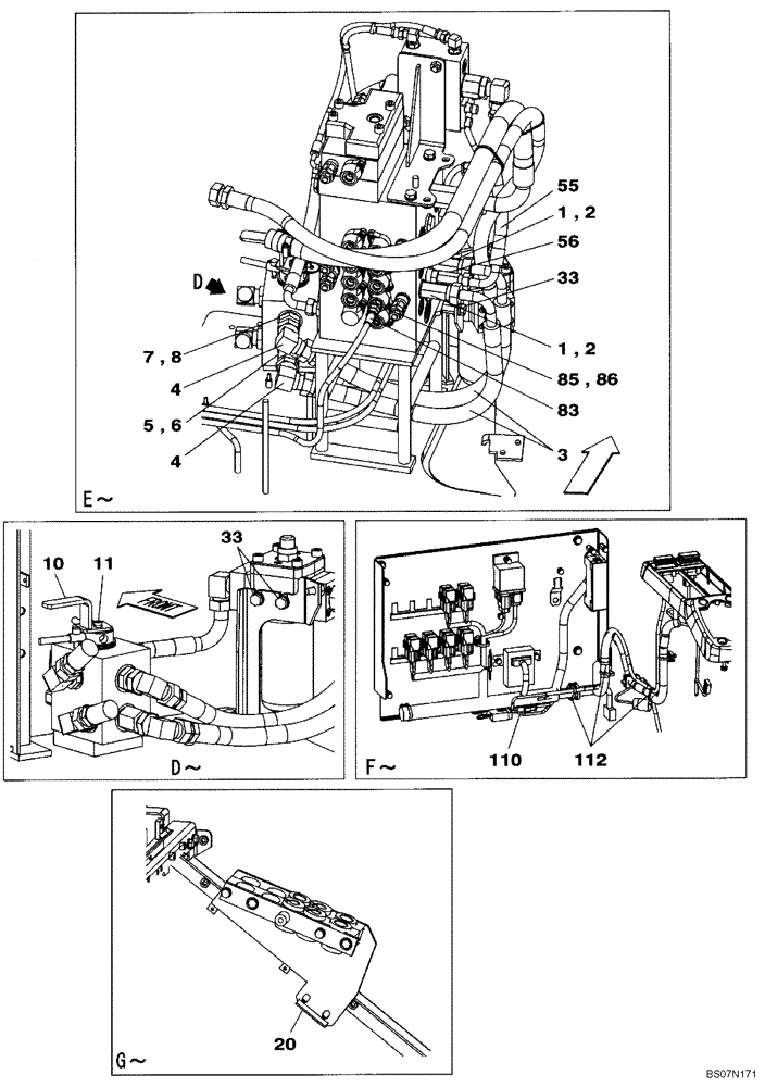
33
86
55
8
5
1
2
3
56
85
110
7
11
33
20
4
6
10
2
83
4
1
FIT
1:1
100%

Артикул

Название

Примечание

Количество

1

158759A1

HYD CONNECTOR

Incl. 2

2шт.

2

154487A1

O-RING

1шт.

3

KAJ4846

HYDRAULIC HOSE,15.88 mm ID x 650.00 mm

2шт.

4

167908A1

ELBOW

2шт.

5

KAJ2917

ADAPTER

Incl. 6

1шт.

6

154503A1

O-RING

1шт.

7

151654A1

HYD CONNECTOR,3/4" NPT O-Ring x 3/4" NPT

Incl. 8

1шт.

8

154503A1

O-RING

1шт.

10

KAJ4948

CONTROL LEVER

1шт.

11

108R008Y020R

HEX SOC SCREW

M8X20

1шт.

20

HEH0026

RUBBER SEAL

1шт.

33

166251A1

ROLLER ASSY.

4шт.

55

KAJ11020

HYDRAULIC HOSE,340.00 mm

1шт.

56

KHJ2235

ADAPTER

1шт.

83

KHJ2070

HOSE

6X2400

1шт.

85

152127A1

HYD CONNECTOR,1/4" NPT O-Ring x 1/4" NPT

Incl. 86

1шт.

86

154467A1

O-RING,10.8mm ID x 2.4mm Width

1шт.

110

KAR10410

HARNESS

1шт.

112

150496A1

MOUNTING CLIP

12шт.

Выбрано товаров: 19