Качественные детали и логистика
Оригинальные и аналоговые запчасти с доставкой по России, Казахстану и Беларуси
©2022 PartSell ООО "Система" ИНН 2463123282 ОГРН 1212400004838
Центральный офис: г. Красноярск, Академика Киренского, д.87, пом.4
Телефон: 8 (800) 777-65-74 Email: zakaz@partsell.ru
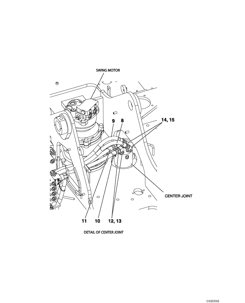
(08-12) - HYDRAULICS - TRAVEL - JOINT, SWIVEL CENTER
№
Артикул
Название
Примечание
Количество
8
KAJ4649
HYDRAULIC HOSE,12.70 mm ID x 1350.00 mm
1шт.
9
KAJ4650
HYDRAULIC HOSE,12.70 mm ID x 1480.00 mm
10
KAJ4647
HYDRAULIC HOSE,12.70 mm ID x 1000.00 mm
11
KAJ4648
HYDRAULIC HOSE,12.70 mm ID x 1120.00 mm
12
150919A1
ELBOW,90 Degree, 1/2" O-Ring x 1/2"
Incl. 13
2шт.
13
154487A1
O-RING
14
157585A1
ELBOW
Incl. 15
15
Выбрано товаров: 0