Запчасти Case CX80 (08-42) - PILOT CONTROL LINES - MODELS WITH CONTROL SELECTOR VALVE (08) - HYDRAULICS

Схема запчастей Case CX80 - (08-42) - PILOT CONTROL LINES - MODELS WITH CONTROL SELECTOR VALVE (08) - HYDRAULICS
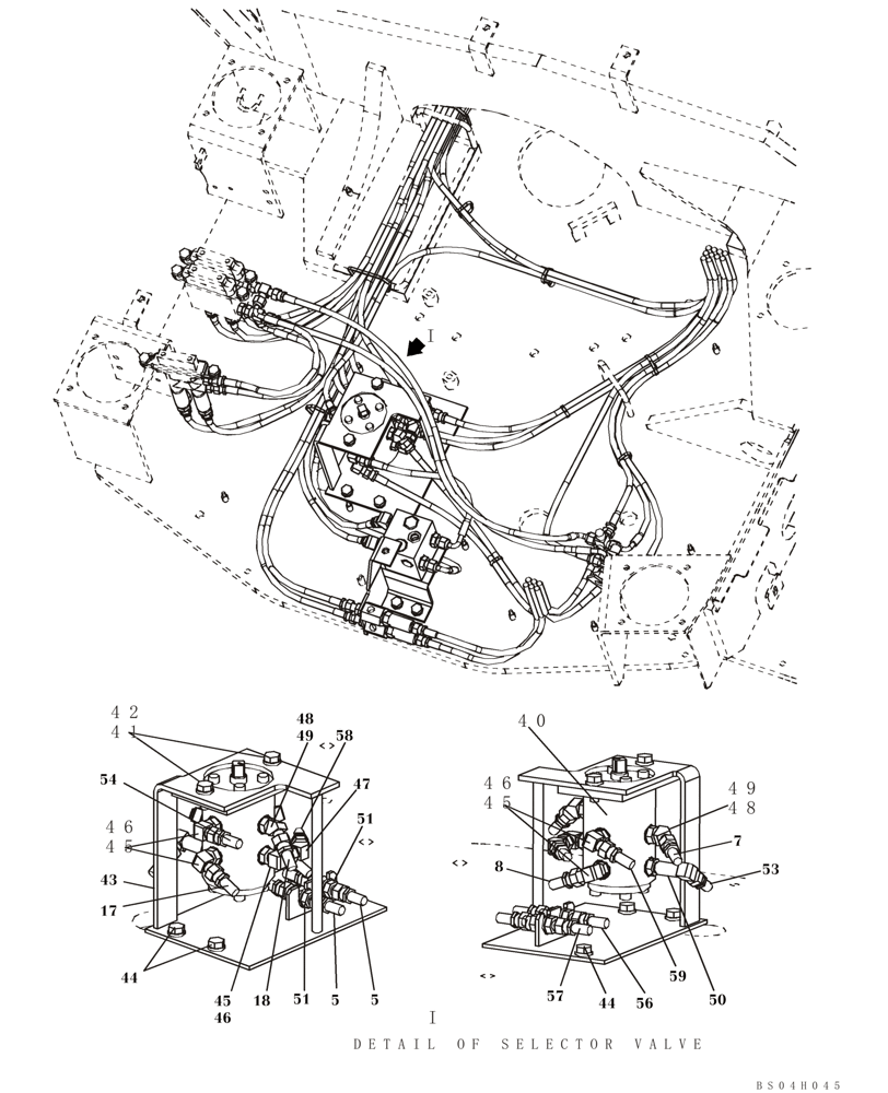
detail of selector valve
bs04h045
44
57
46
45
i
45
58
46
5
18
7
44
51
48
59
49
54
47
46
i
53
40
42
8
45
17
56
48
5
41
50
51
49
43
FIT
1:1
100%

Артикул

Название

Примечание

Количество

5

KHJ2058

HOSE

See Figure 08-38

2шт.

7

KHJ2064

HOSE

See Figure 08-38

1шт.

8

KHJ2059

HOSE

See Figure 08-38

1шт.

17

KHJ2311

HOSE

See Figure 08-38

1шт.

18

KHJ2310

HOSE

See Figure 08-38

1шт.

40

KHJ2184

VALVE

See Figure 08-89

1шт.

41

167836A1

BOLT,High Strength, M10 x 25mm

2шт.

42

150409A1

WASHER

2шт.

43

KAJ4996

BRACKET

1шт.

44

166052A1

BOLT

3шт.

45

150913A1

ELBOW,90 Degree, 1/4" O-Ring x 1/4"

Incl. 46

5шт.

46

154467A1

O-RING,10.8mm ID x 2.4mm Width

1шт.

47

KHJ1222

ELBOW

1шт.

48

150933A1

ELBOW

Incl. 49

2шт.

49

154467A1

O-RING,10.8mm ID x 2.4mm Width

1шт.

50

KHJ1178

ELBOW

1шт.

51

159481A1

ADAPTER

2шт.

53

KHJ2239

HOSE,520.00 mm

1шт.

54

KHJ2238

HOSE

1шт.

56

KHJ2057

HOSE

See Figure 08-40

1шт.

57

KHJ2066

HOSE

See Figure 08-40

1шт.

58

KHJ2066

HOSE

See Figure 08-40

1шт.

59

KHJ2064

HOSE

See Figure 08-40

1шт.

Выбрано товаров: 23