Запчасти Case CX80 (08-48) - HYDRAULICS - PILOT PRESSURE, RETURN LINES (08) - HYDRAULICS

Схема запчастей Case CX80 - (08-48) - HYDRAULICS - PILOT PRESSURE, RETURN LINES (08) - HYDRAULICS
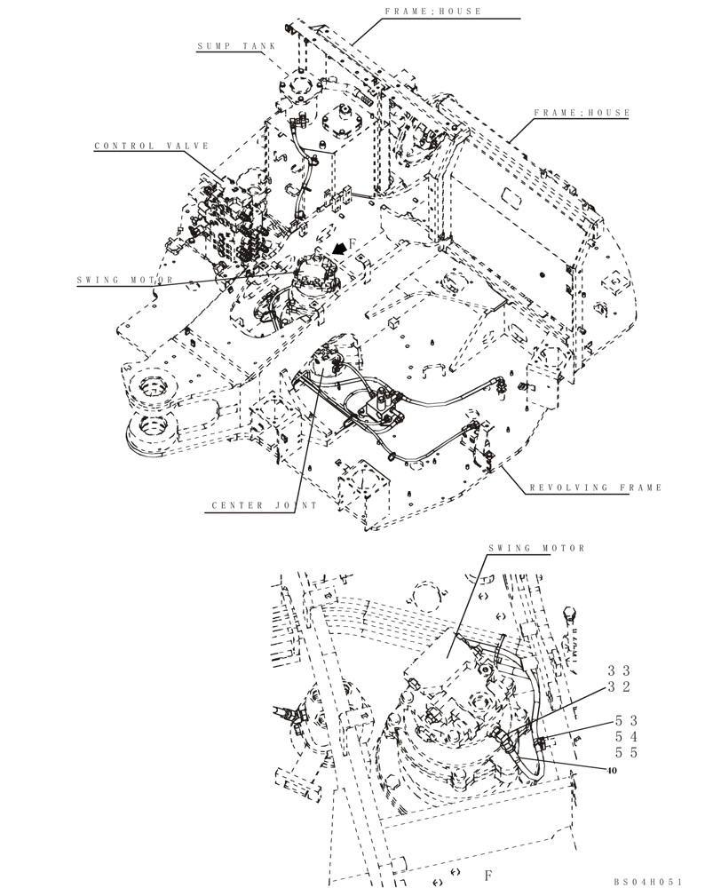
revolving frame
center joint
33
f
53
control valve
32
bs04h051
swing motor
54
40
swing motor
55
sump tank
f
FIT
1:1
100%

Артикул

Название

Примечание

Количество

32

150933A1

ELBOW

Incl. 33

1шт.

33

154467A1

O-RING,10.8mm ID x 2.4mm Width

1шт.

40

KHJ2311

HOSE

See Figure 08-47

1шт.

53

150860A1

COLLAR

1шт.

54

840-168

SCREW,Pan, M6 x 1 x 8mm, Cl 4.8

1шт.

55

150496A1

MOUNTING CLIP

1шт.

Выбрано товаров: 6