Запчасти Case CX80 (02-05) - RADIATOR AND CONNECTIONS (02) - ENGINE

Схема запчастей Case CX80 - (02-05) - RADIATOR AND CONNECTIONS (02) - ENGINE
37
35
9
43
44
9
6
46
1
41
7
38
7
40
11
32
31
30
31
47
28
7
11
5
42
7
10
8
39
36
29
45
FIT
1:1
100%

Артикул

Название

Примечание

Количество

1

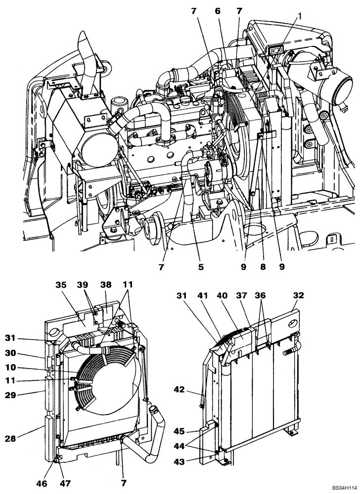
KAH1348

RADIATOR

See Figure 02-06, 02-06A

1шт.

5

KAH1349

RADIATOR HOSE

1шт.

6

KAH1350

RADIATOR HOSE

1шт.

7

165791A1

CLIP

4шт.

8

KAH1373

STAY

1шт.

9

166052A1

BOLT

2шт.

10

KAH1351

GUARD

Fan

1шт.

11

166345A1

BOLT

3шт.

28

KAH1357

SEAL

1шт.

29

KAH1358

SEAL

1шт.

30

KAH1359

SEAL

1шт.

31

KAH1303

SEAL

2шт.

32

KAH1410

SEAL

1шт.

35

KAH1368

SEAL

1шт.

36

166345A1

BOLT

2шт.

37

KAH1363

SEAL

1шт.

38

KAH1369

SEAL

1шт.

39

166345A1

BOLT

2шт.

40

KAH1364

SEAL

1шт.

41

KAH1365

SEAL

1шт.

42

KAH1366

SEAL

1шт.

43

KAH1370

SEAL

1шт.

44

166345A1

BOLT

2шт.

45

KAH1367

SEAL

1шт.

46

KAH1371

SEAL

1шт.

47

166345A1

BOLT

2шт.

Выбрано товаров: 26