Запчасти Case CX80 (09-09) - FRAMES, COVERS - DOORS, SIDE (09) - CHASSIS/ATTACHMENTS

Схема запчастей Case CX80 - (09-09) - FRAMES, COVERS - DOORS, SIDE (09) - CHASSIS/ATTACHMENTS
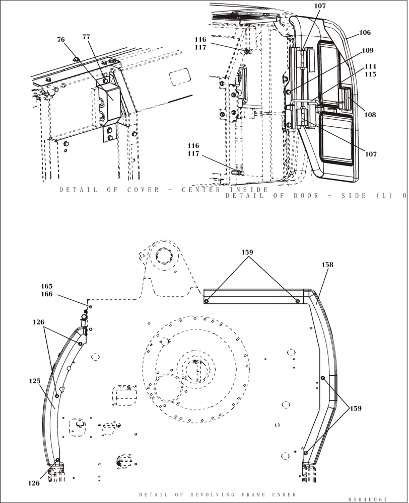
detail of cover - center inside
115
165
106
detail of revolving frame under
114
166
detail of door - side (l) open
109
107
126
159
bs04h067
159
117
126
158
116
77
108
107
116
76
117
125
FIT
1:1
100%

Артикул

Название

Примечание

Количество

76

KAN3612

COVER

1шт.

77

166052A1

BOLT

M10 x 25

2шт.

106

KAN3486Y2

DOOR

Incl. 107, 108

1шт.

107

KAN3271

HINGE

2шт.

108

158920A1

LOCK

1шт.

109

166052A1

BOLT

M10 x 25

2шт.

114

KAN3407

STAY

1шт.

115

153181A1

COTTER PIN

1шт.

116

159091A1

STOP

2шт.

117

162R010VR

NUT

M10

2шт.

125

KAN3622Y2

COVER

1шт.

126

KHN3452

BOLT,Spcl

3шт.

158

KAN3625Y2

COVER

1шт.

159

KHN3452

BOLT,Spcl

4шт.

165

827-10040

BOLT,Hex, M10 x 1.5 x 40mm, Cl 10.9, Full Thd

2шт.

166

150409A1

WASHER

M10

2шт.

Выбрано товаров: 16