Запчасти Case CX80 (09-31) - AIR CONDITIONING SYSTEM (09) - CHASSIS/ATTACHMENTS

Схема запчастей Case CX80 - (09-31) - AIR CONDITIONING SYSTEM (09) - CHASSIS/ATTACHMENTS
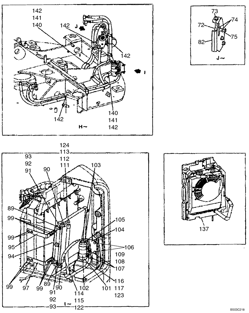
140
89
73
142
92
107
103
74
91
72
141
99
91
97
117
93
111
99
142
142
90
116
114
140
93
94
115
89
102
122
108
104
142
141
99
82
106
75
124
92
95
123
105
112
142
113
101
137
109
99
90
FIT
1:1
100%

Артикул

Название

Примечание

Количество

72

KAR0927

SHAFT

1шт.

73

KAR0926

BOLT,Spcl

1шт.

74

KAR0928

COLLAR

2шт.

75

157292A1

NUT

M10

1шт.

82

KAR1458

BRACKET

1шт.

89

KHR2593

BRACKET

4шт.

90

KHR3567

BOLT,Spcl

2шт.

91

827-6050

BOLT,Hex, M6 x 50mm, Cl 10.9

4шт.

92

895-11006

WASHER,6.6mm ID x 12mm OD x 1.6mm Thk

4шт.

93

183-106VR

SPRING WASHER

4шт.

94

KAR1459

BRACKET

2шт.

95

KAR1460

BRACKET

1шт.

97

KAR1462

BRACKET

1шт.

99

166350A1

BOLT

10шт.

101

KHR3539

RECEIVER-DRYER

1шт.

102

KHR3540

BRACKET

1шт.

103

162043A1

BOLT,Spcl, M6

2шт.

104

KAR1464

BRACKET

1шт.

105

167182A1

BOLT,Sems, M8 x 25mm

2шт.

106

166052A1

BOLT

2шт.

108

153081A1

WASHER

4шт.

109

829-1408

NUT,Hex, M8 x 1.25, Cl 10.9

2шт.

111

KHR3935

HOSE

Incl. 112, 113

1шт.

112

KHR3053

CAP

1шт.

113

169053A1

O-RING

1шт.

114

KHR3936

HOSE

Incl. 115

1шт.

115

169054A1

O-RING

2шт.

116

KHR3937

HOSE

Incl. 117

1шт.

117

169054A1

O-RING

2шт.

122

150768A1

PLASTIC-RUBBER TUBE,15 mm ID, 19.5 mm OD, 300 mm Length

1шт.

123

157769A1

PLASTIC-RUBBER TUBE

1шт.

124

KHR3052

PLASTIC-RUBBER TUBE

1шт.

137

KAR1470

SEAL

1шт.

140

150860A1

COLLAR

2шт.

141

840-168

SCREW,Pan, M6 x 1 x 8mm, Cl 4.8

2шт.

142

150496A1

MOUNTING CLIP

1шт.

107

627-8030

BOLT,Hex, M8 x 1.25 x 30mm, Cl 10.9, Full Thd

2шт.

Выбрано товаров: 37