Запчасти Case CX80 (08-22) - HYDRAULICS - BOOM SWING CYLINDER LINE (08) - HYDRAULICS

Схема запчастей Case CX80 - (08-22) - HYDRAULICS - BOOM SWING CYLINDER LINE (08) - HYDRAULICS
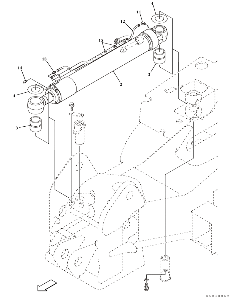
15
4
13
12
3
bs04h062
14
11
2
3
4
FIT
1:1
100%

Артикул

Название

Примечание

Количество

KAV2787

HYDRAULIC CYLINDER

Incl. 2 , 3; No Other Component Parts Available At Time Of Printing

1шт.

2

NSS

NOT SOLD SEPARAT

Cylinder

1шт.

3

169111A1

SELF LUB RING

2шт.

4

166403A1

WASHER

1шт.

11

152838A1

FITTING

1шт.

12

KMB0132

PLASTIC-RUBBER TUBE,4.32 mm ID x 6.35 mm OD

1шт.

13

150190A1

FITTING

1шт.

14

153630A1

LUBE NIPPLE

1шт.

15

150071A1

MOUNTING CLIP

L= 380mm

1шт.

Выбрано товаров: 9