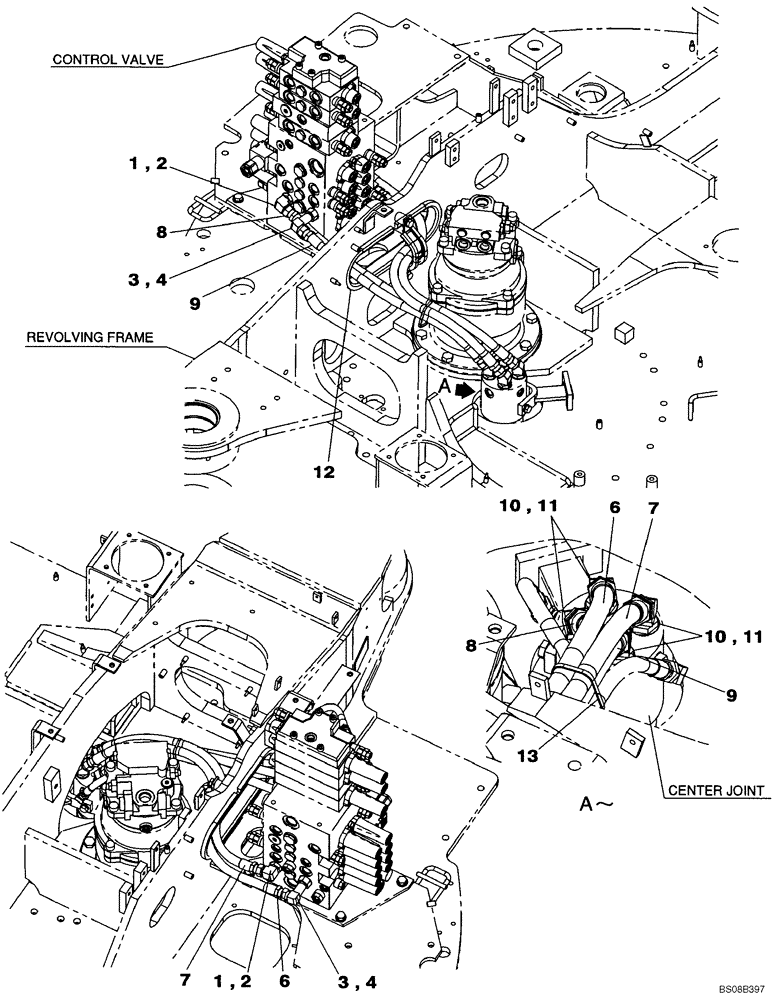
Запчасти Case CX80 (08-12) - HYDRAULICS - TRAVEL - JOINT, SWIVEL CENTER (08) - HYDRAULICS

Схема запчастей Case CX80 - (08-12) - HYDRAULICS - TRAVEL - JOINT, SWIVEL CENTER (08) - HYDRAULICS
2
3
4
11
12
11
9
1
10
7
8
10
6
13
4
1
8
9
2
3
7
6
FIT
1:1
100%

Артикул

Название

Примечание

Количество

1

150919A1

ELBOW,90 Degree, 1/2" O-Ring x 1/2"

Incl. 2

2шт.

2

154487A1

O-RING

1шт.

3

KHJ1044

ELBOW

Incl. 4

2шт.

4

154487A1

O-RING

1шт.

6

KEJ0518

HYDRAULIC HOSE,12.70 mm ID x 850.00 mm

1шт.

7

KAJ5091

HYDRAULIC HOSE,12.70 mm ID x 750.00 mm

1шт.

8

KAJ5092

HYDRAULIC HOSE,12.70 mm ID x 700.00 mm

1шт.

9

KAJ5093

HYDRAULIC HOSE,12.70 mm ID x 600.00 mm

1шт.

10

157585A1

ELBOW

Incl. 11

4шт.

11

154487A1

O-RING

1шт.

12

KEJ0424

PROFILE

1шт.

13

150498A1

MOUNTING CLIP

1шт.

Выбрано товаров: 12