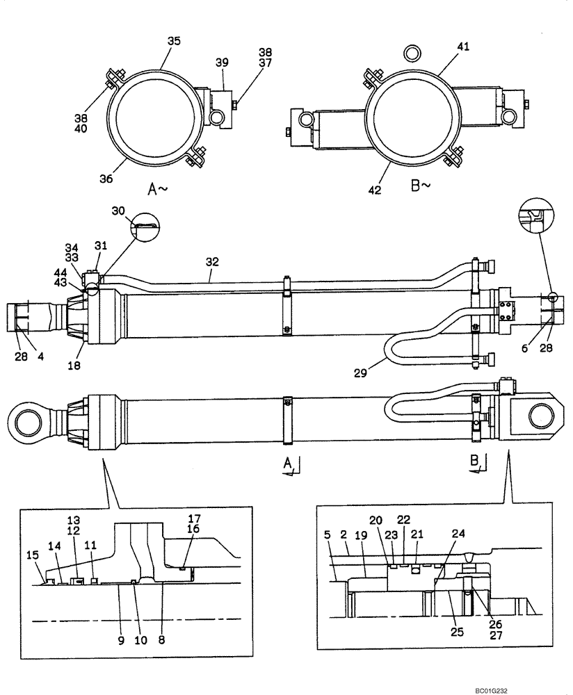
Запчасти Case CX800 (08-80A) - CYLINDER ASSY - ARM (08) - HYDRAULICS

Схема запчастей Case CX800 - (08-80A) - CYLINDER ASSY - ARM (08) - HYDRAULICS
37
25
13
32
11
5
15
26
17
36
30
27
28
38
29
23
40
21
38
35
24
2
28
20
34
10
6
43
19
44
31
9
12
14
4
42
22
41
8
18
16
33
39
FIT
1:1
100%

Артикул

Название

Примечание

Количество

Moldels Without Load Hold

1шт.

Arm : 2,98 (9 Ft 9 In)

1шт.

KUV0006

HYDRAULIC CYLINDER

Arm, Incl. 2 - 44

1шт.

LR00459

HYD TUBE

Incl. 2, 4

1шт.

2

LR00460

PIPE ASSY.

1шт.

4

KUV0036

BUSHING

1шт.

LB00455

PISTON ROD

Incl. 5, 6

1шт.

5

LB00456

PISTON ROD

1шт.

6

KUV0036

BUSHING

1шт.

LU00062

CYLINDER END CAP

Incl. 8 - 10

1шт.

8

LU00063

CYLINDER END CAP

1шт.

9

LB00461

BUSHING

1шт.

10

LA00623

LOCKING RING

1шт.

11

LE00624

RING

1шт.

12

LE00485

WIPER SEAL

U-Cup

1шт.

13

LE00486

BACK-UP RING

1шт.

14

LE00625

SEALING STRIP

Slide

1шт.

15

LE00626

RING

1шт.

16

LE00488

O-RING

1шт.

17

LE00627

BACK-UP RING

1шт.

18

108R033W110N

BOLT

8шт.

19

LG00283

RING

Cushion

1шт.

20

LJ00627

JACK PISTON

1шт.

21

LE00628

SEALING RING

SEALRING

1шт.

22

LE00629

SEALING STRIP

Slide

2шт.

23

LE00630

SEALING STRIP

Slide

2шт.

24

LH00213

SEALING STRIP

Slide

1шт.

25

LA00619

SPECIAL NUT

1шт.

26

LA00617

SCREW,Hex Skt

1шт.

27

LB00459

BALL

1шт.

28

LE00653

WIPER SEAL

4шт.

29

LR00450

PIPE ASSY.

1шт.

30

TBU0048

O-RING

2шт.

31

LUU0092

BOLT,Hex Skt Hd

8шт.

32

LR00451

HYD TUBE

1шт.

33

LK00249

PLUG

2шт.

34

154568A1

O-RING

2шт.

35

LD00022

CLAMP BRACKET

1шт.

36

LD00023

CLAMP BRACKET

1шт.

37

LA00616

BOLT

3шт.

38

892-11014

LOCK WASHER,14.5mm ID x 24.1mm OD x 4.5mm Thk

7шт.

39

LS00105

HALF-FLANGE

3шт.

40

827-14050

BOLT,Hex, M14 x 2 x 50mm, Cl 10.9

1шт.

41

LD00024

CLAMP BRACKET

1шт.

42

LD00025

CLAMP BRACKET

1шт.

43

LJ00624

BLEEDER

Incl. 44

1шт.

44

154467A1

O-RING,10.8mm ID x 2.4mm Width

1шт.

LZ00313

SEAL KIT

Incl. 11 - 17, 21 - 24

1шт.

Выбрано товаров: 48