Запчасти Case CX800 (06-02A) - GEAR, FINAL DRIVE, ASSY, REDUCTION (03) - POWER TRAIN

Схема запчастей Case CX800 - (06-02A) - GEAR, FINAL DRIVE, ASSY, REDUCTION (03) - POWER TRAIN
50
50
31
49
17
22
6
12
8
11
9
16
25
44
5a
41
5
26
36
39
7
14
34
42
6
15
48
4
23
30
17
2
19
13
1
33
32
37
51
43
49
40
21
18
46
24
45
8
51
4
5
20
27
52
10
28
38
47
35
52
29
3
FIT
1:1
100%

Артикул

Название

Примечание

Количество

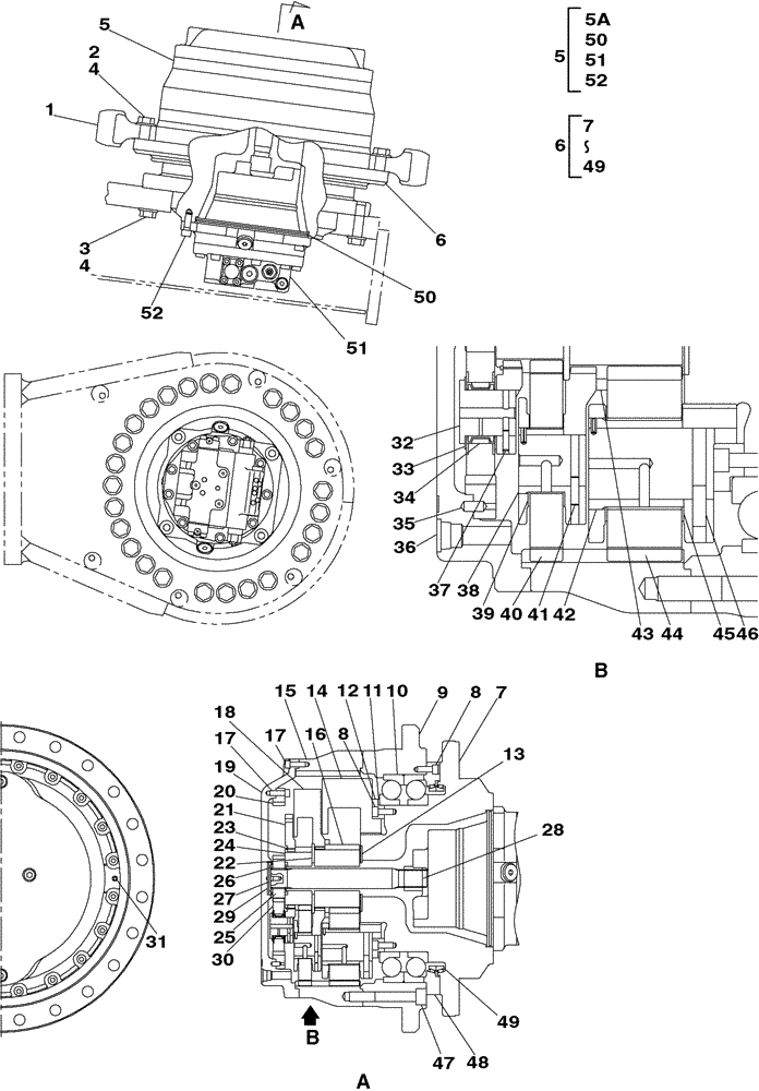
1

KUA0044

SPROCKET

2шт.

2

102R027Y090N

BOLT

M27 x 90

48шт.

3

102R027Y100N

BOLT

M27 x 100

52шт.

4

157544A1

WASHER

100шт.

5

KUA10540

MOTO-REDUCTION GEAR

2шт.

Consists Of Ref. Numbers 5A, 50, 51, 52

1шт.

5a

KUP10150

REDUCER

1шт.

Consists Of Ref. Number 6, Not Illustrated

1шт.

6

NSS

NOT SOLD SEPARAT

1шт.

Consists Of Ref. Numbers 7-49

1шт.

7

KUP10150

REDUCER

1шт.

8

862-14035

HEX SOC SCREW,M14 x 35mm, Cl 12.9

60шт.

9

KUA0016

BEARING HOUSING

1шт.

10

KUA0020

BEARING, BALL

2шт.

11

KUA10500

RETAINER CUP

1шт.

12

KUP10150

REDUCER

1шт.

13

163918A1

PLATE

1шт.

14

KUA10520

GEAR SET

1шт.

Consists Of Ref. Numbers 42, 44, 45, 46

1шт.

15

KUA0010

GEAR, RING

RING, GEAR

1шт.

16

KUA0005

SUN GEAR

1шт.

17

862-12035

HEX SOC SCREW,M12 x 35mm, Cl 12.9

32шт.

18

KUA0380

CARRIER

1шт.

Consists Of Ref. Numbers 38 To 41

1шт.

19

KUA0015

COVER

1шт.

20

KUA0009

GEAR, RING

RING, GEAR

1шт.

21

KUA0379

CARRIER

1шт.

Consists Of Ref. Numbers 30, 32, 33, 34, 37

1шт.

22

KUA0182

SUN GEAR

1шт.

23

163924A1

RING

1шт.

24

KUA0004

SUN GEAR

1шт.

25

163929A1

SHIM

1шт.

26

800-1150

SNAP RING,M50, Ext

2шт.

27

163929A1

SHIM

2шт.

28

KUA0279

GEAR SHAFT

4шт.

29

KUA10510

THRUST PLATE

4шт.

30

KUA0182

SUN GEAR

3шт.

31

152K012Y025B

SET SCREW

M12 x 25

2шт.

32

NSS

NOT SOLD SEPARAT

3шт.

33

NSS

NOT SOLD SEPARAT

6шт.

34

NSS

NOT SOLD SEPARAT

3шт.

35

151627A1

PIN

4шт.

36

150829A1

PLUG

3шт.

37

163917A1

PLATE

3шт.

38

NSS

NOT SOLD SEPARAT

4шт.

39

NSS

NOT SOLD SEPARAT

8шт.

40

NSS

NOT SOLD SEPARAT

4шт.

41

NSS

NOT SOLD SEPARAT

4шт.

42

NSS

NOT SOLD SEPARAT

5шт.

43

KUA0027

PLATE, THRUST

2шт.

44

NSS

NOT SOLD SEPARAT

5шт.

45

NSS

NOT SOLD SEPARAT

10шт.

46

NSS

NOT SOLD SEPARAT

5шт.

47

108R024Y160R

BOLT

M24 x 160

30шт.

48

KUA10490

RETAINER

1шт.

49

KUA0022

PACKAGE

1шт.

50

151524A1

O-RING

2шт.

51

KUA0282

MOTOR, HYDRAULIC

2шт.

See Page(s) 07-007-00, 07-011-00

1шт.

52

150807A1

BOLT,Hex Skt, M18 x 2.5 x 50mm

8шт.

Выбрано товаров: 60