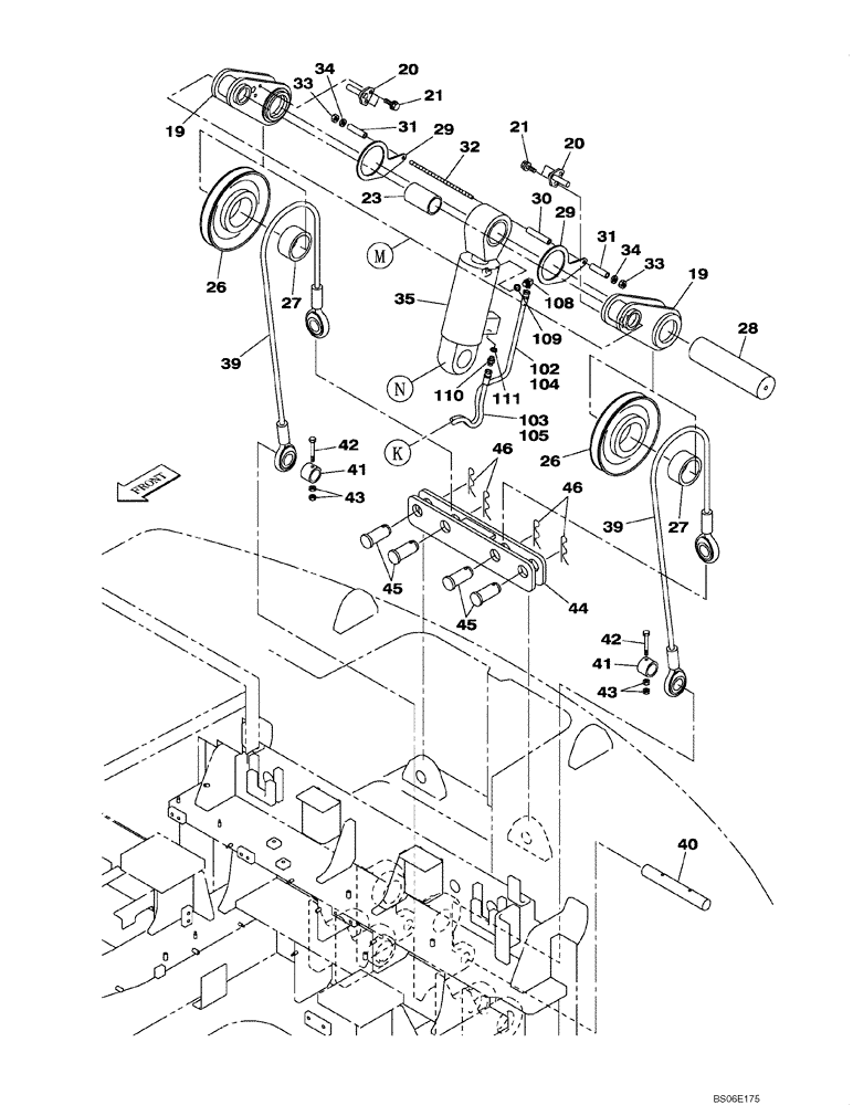
Запчасти Case CX800 (09-006-00[01]) - SELF-DETACHING COUNTERWEIGHT SYSTEM (09) - CHASSIS

Схема запчастей Case CX800 - (09-006-00[01]) - SELF-DETACHING COUNTERWEIGHT SYSTEM (09) - CHASSIS
19
29
44
26
111
42
46
45
20
34
40
29
32
35
33
46
34
110
103
104
45
41
43
30
27
21
109
108
105
21
31
42
102
39
31
26
33
28
41
39
27
23
43
20
19
FIT
1:1
100%

Артикул

Название

Примечание

Количество

19

KUB0158

LINK

2шт.

20

KUB0159

PLATE

2шт.

21

152718A1

BOLT,Spcl, Hex Wshr, M12 x 25mm, Cl 10.9

4шт.

23

KUB0179

SPACER

1шт.

26

KUB0165

PULLEY

2шт.

27

KUB0180

BUSHING

2шт.

28

KUB0166

PIN

1шт.

29

KUB0160

PLATE

2шт.

30

KUB0170

SPACER

1шт.

31

KUB0171

SPACER

2шт.

32

KUB0178

ROD,THREADED

THREADED ROD

1шт.

33

829-1412

NUT,M12, Cl 10.9

2шт.

34

150811A1

WASHER

W 12

2шт.

35

KUB0156

HYDRAULIC CYLINDER

See Figure 08-260-00 01

1шт.

39

KUB0164

WIRE ROPE

2шт.

40

KUB0174

PIN

1шт.

41

KUB0176

COLLAR

2шт.

42

102R008Y080R

BOLT

M8 x 80

2шт.

43

829-1408

NUT,Hex, M8 x 1.25, Cl 10.9

4шт.

44

KUB0172

BRACKET

1шт.

45

KUB0161

PIN

4шт.

46

C4E6684

SPLIT PIN/SAFETY PIN

4шт.

102

KAJ4281

HYDRAULIC HOSE,9.50 mm ID x 1400.00 mm

See Figure 08-081-00 01

1шт.

103

KWJ11030

HYDRAULIC HOSE,9.52 mm ID x 1150.00 mm

See Figure 08-081-00 01

1шт.

104

158063A1

PLASTIC-RUBBER TUBE

1шт.

105

150774A1

PLASTIC-RUBBER TUBE

1шт.

108

150916A1

ELBOW,90 Degree, 3/8" O-Ring x 3/8"

Incl. 107

1шт.

109

154475A1

O-RING

1шт.

110

152128A1

HYD CONNECTOR,3/8" NPT O-Ring x 3/8" NPT

Incl. 109

1шт.

111

154475A1

O-RING

1шт.

Выбрано товаров: 30