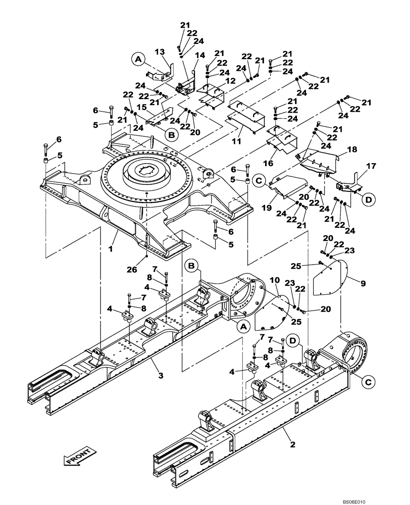
Запчасти Case CX800 (05-001-00[01]) - UNDERCARRIAGE (11) - TRACKS/STEERING

Схема запчастей Case CX800 - (05-001-00[01]) - UNDERCARRIAGE (11) - TRACKS/STEERING
8
21
22
18
24
24
14
21
23
22
22
8
19
24
22
7
6
17
4
7
22
25
22
20
8
21
21
21
10
22
20
13
22
26
4
21
24
22
4
22
6
22
4
25
20
20
5
1
12
22
24
22
21
21
6
2
24
3
11
7
8
24
21
5
22
22
24
23
9
7
5
24
24
21
5
21
16
6
24
22
21
15
24
24
24
FIT
1:1
100%

Артикул

Название

Примечание

Количество

1

KUA0119

CHASSIS

1шт.

2

KUA10860

FRAME

FRAME SIDE, Left, Replaces KUA10410

1шт.

3

KUA10880

FRAME

FRAME SIDE, Right, Replaces KUA10430

1шт.

4

KUA0123

PLATE

4шт.

5

KUA0124

SPACER

48шт.

6

102R036W180N

BOLT

M36 x 180

48шт.

7

102R030W190N

BOLT

M30 x 190

8шт.

8

157545A1

WASHER

8шт.

9

KUA0127

COVER

1шт.

10

KUA0128

COVER

1шт.

11

KUA0148

COVER

1шт.

12

KUA0170

COVER

1шт.

13

KUA0171

COVER

1шт.

14

KUA0172

COVER

1шт.

15

KUA0173

COVER

1шт.

16

KUA0174

COVER

1шт.

17

KUA0175

COVER

1шт.

18

KUA0176

COVER

1шт.

19

KUA0177

COVER

1шт.

20

627-16050

BOLT,Hex, M16 x 2 x 50mm, Cl 10.9, Full Thd

16шт.

21

627-16040

BOLT,Hex, M16 x 2 x 40mm, Cl 10.9, Full Thd

28шт.

22

892-11016

LOCK WASHER,16.4mm ID x 27.4mm OD x 5mm Thk

44шт.

23

150814A1

WASHER,17mm ID x 32mm OD x 4.5mm Thk

32шт.

24

KHA0012

WASHER

32шт.

25

627-12020

BOLT,Hex, M12 x 1.75 x 20mm, Cl 10.9, Full Thd

2шт.

26

157221A1

PLUG

1шт.

Выбрано товаров: 26