Запчасти Case CX800 (04-002-00[01]) - CHASSIS ELECTRICAL CIRCUIT (04) - ELECTRICAL SYSTEMS

Схема запчастей Case CX800 - (04-002-00[01]) - CHASSIS ELECTRICAL CIRCUIT (04) - ELECTRICAL SYSTEMS
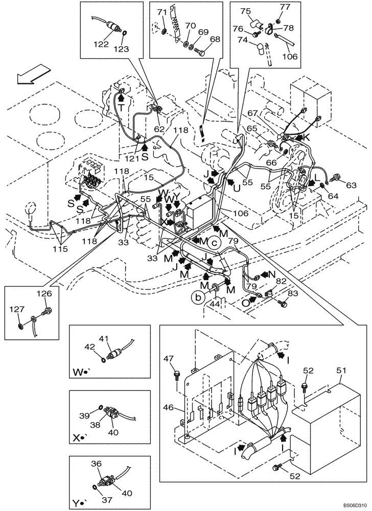
33
51
41
52
70
42
62
15
77
55
38
40
78
82
71
106
44
127
74
126
15
69
46
52
55
66
40
83
122
115
67
37
76
36
64
68
79
55
47
106
121
39
79
118
65
63
118
118
75
118
123
33
FIT
1:1
100%

Артикул

Название

Примечание

Количество

15

KHR2787

CLAMP

1шт.

33

KHR2787

CLAMP

1шт.

36

KHR10800

PRESSURE SWITCH

P2 sensor, Incl. 37

1шт.

37

154467A1

O-RING,10.8mm ID x 2.4mm Width

1шт.

38

KHR10810

PRESSURE SWITCH

P1 sensor, Incl. 39

1шт.

39

154467A1

O-RING,10.8mm ID x 2.4mm Width

1шт.

40

150067A1

MOUNTING CLIP

2шт.

41

168135A1

SENSOR,50 MPa

Pilot pressure, Incl. 42

2шт.

42

154475A1

O-RING

1шт.

44

KHR4331

GROMMET

315 mm

1шт.

46

KHR4308

BRACKET

1шт.

47

152718A1

BOLT,Spcl, Hex Wshr, M12 x 25mm, Cl 10.9

2шт.

51

KHR4312

COVER

1шт.

52

167518A1

BOLT

M8 x 16

4шт.

55

KHR2787

CLAMP

6шт.

62

150496A1

MOUNTING CLIP

250 mm

1шт.

63

167518A1

BOLT

M8 x 16

1шт.

64

893-11008

LOCK WASHER,Ext Tooth, M8

1шт.

65

KHR1828

BOLT,Spcl

M5 x 12

1шт.

66

893-11005

LOCK WASHER,Ext Tooth, M5

1шт.

67

159179A1

PROTECTION CAP

1шт.

68

627-12025

BOLT,Hex, M12 x 1.75 x 25mm, Cl 10.9, Full Thd

1шт.

69

183-112VR

SPRING WASHER

SW 12

1шт.

70

896-11012

WASHER,13.5mm ID x 24mm OD x 3mm Thk

1шт.

71

893-11012

LOCK WASHER,Ext Tooth, M12

1шт.

74

159173A1

CAP

M5 x 3.8

1шт.

75

KHR4114

PROTECTOR

1шт.

76

167518A1

BOLT

M8 x 16

1шт.

77

829-1408

NUT,Hex, M8 x 1.25, Cl 10.9

1шт.

78

162150A1

CLAMP

1шт.

79

KHR2787

CLAMP

4шт.

82

KHR3852

ALARM

1шт.

83

159602A1

BOLT,Sems, Hex, M6 x 16mm

2шт.

106

KHR10170

POS BATTERY CABLE

1шт.

115

KHR2787

CLAMP

4шт.

118

KHR2787

CLAMP

7шт.

121

KHR2433

SENSOR

Hydraulic Oil Temperature

1шт.

122

KHR2915

SENSOR,5 MPa

Pressure (neg-cont.); Incl. 123

1шт.

123

154467A1

O-RING,10.8mm ID x 2.4mm Width

1шт.

126

159602A1

BOLT,Sems, Hex, M6 x 16mm

M6 x 16

1шт.

127

893-11006

LOCK WASHER,Ext Tooth, M6

1шт.

Выбрано товаров: 41