Запчасти Case CX130B (08-19) - PILOT CONTROL LINES, TRAVEL - TWO WAY (08) - HYDRAULICS

Схема запчастей Case CX130B - (08-19) - PILOT CONTROL LINES, TRAVEL - TWO WAY (08) - HYDRAULICS
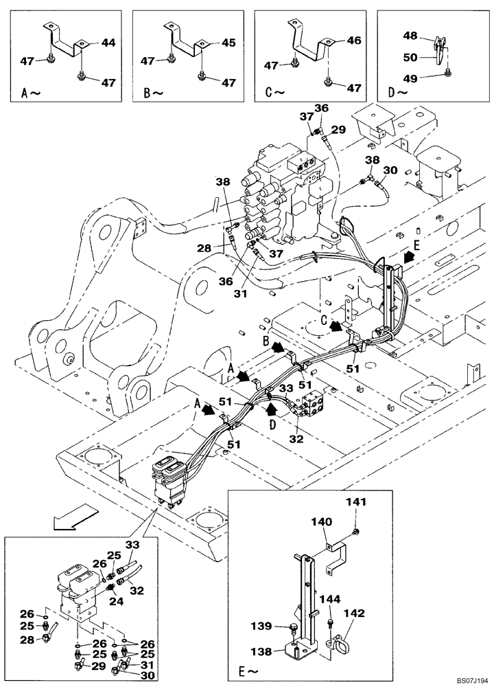
33
51
46
26
28
30
28
37
32
144
26
51
47
37
47
38
44
45
36
31
50
33
25
29
26
26
24
47
25
25
38
29
36
47
47
139
49
32
141
47
51
51
142
31
30
48
25
140
138
FIT
1:1
100%

Артикул

Название

Примечание

Количество

24

161841A1

HYD CONNECTOR

1шт.

25

152127A1

HYD CONNECTOR,1/4" NPT O-Ring x 1/4" NPT

Incl. 26

5шт.

26

154467A1

O-RING,10.8mm ID x 2.4mm Width

1шт.

28

KHJ2165

HOSE

2900 mm (114-3/16 in)

1шт.

29

KHJ2147

HOSE,6.3 mm ID x 2700.00 mm

2700 mm (106-1/4 in)

1шт.

30

KHJ2171

HOSE

1шт.

31

KHJ2147

HOSE,6.3 mm ID x 2700.00 mm

2700 mm (106-1/4 in)

1шт.

32

KHJ2249

HOSE

950 mm (37-3/8 in)

1шт.

33

KHJ2249

HOSE

950 mm (37-3/8 in)

1шт.

36

150913A1

ELBOW,90 Degree, 1/4" O-Ring x 1/4"

Incl. 37

2шт.

37

154467A1

O-RING,10.8mm ID x 2.4mm Width

1шт.

38

KHJ1178

ELBOW

2шт.

44

KHJ1220

COLLAR

2шт.

45

KHJ13770

COLLAR

1шт.

46

KHJ13760

COLLAR

1шт.

47

166345A1

BOLT

8шт.

48

150860A1

COLLAR

1шт.

49

840-168

SCREW,Pan, M6 x 1 x 8mm, Cl 4.8

1шт.

50

150496A1

MOUNTING CLIP

1шт.

51

150498A1

MOUNTING CLIP

4шт.

138

KNJ12500

BRACKET

BRACKET

1шт.

139

166352A1

BOLT

2шт.

140

161096A1

O-RING

1шт.

141

166345A1

BOLT

2шт.

142

KHR2581

CLAMP

1шт.

144

KHJ1215

BOLT,Spcl

1шт.

Выбрано товаров: 26