Запчасти Case CX130B (02-01) - ENGINE MOUNTING (02) - ENGINE

Схема запчастей Case CX130B - (02-01) - ENGINE MOUNTING (02) - ENGINE
22
22
18
20
20
16
21
16
14
22
6
18
20
19
23
21
4
19
18
24
23
2
21
21
19
19
25
17
22
15
17
18
23
23
20
FIT
1:1
100%

Артикул

Название

Примечание

Количество

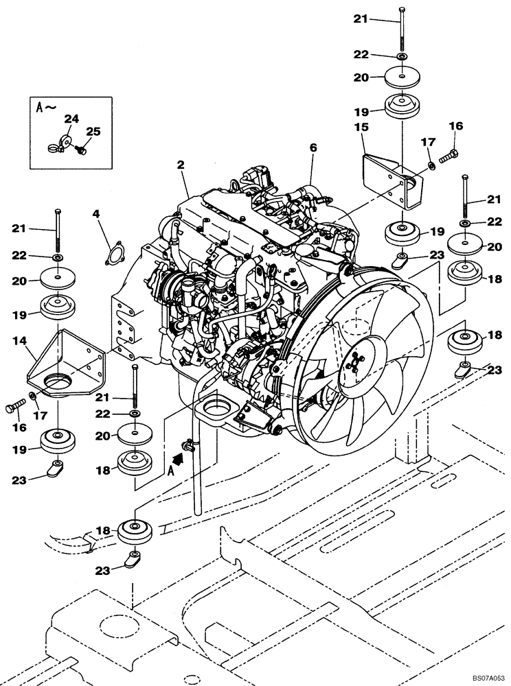
2

KNH10540

ENGINE,4 Cylinders, W/ Turbocharger

See Figures 02-33, 03-04 - 03-07, 04-01 - 04-04A

1шт.

2

KNH10540EC

CORE-ENGINE

Environmental Core, For N.A. Only

1шт.

4

167913A1

GASKET

Exhaust

1шт.

6

87601012

HARNESS

Engine

1шт.

14

KNH10420

ENGINE MOUNT

1шт.

15

KNH10430

ENGINE MOUNT

1шт.

16

627-12035

BOLT,Hex, M12 x 1.75 x 35mm, Cl 10.9, Full Thd

8шт.

17

150811A1

WASHER

8шт.

18

KNH10410

RUBBER MOUNTING

4шт.

19

KNH10400

RUBBER MOUNTING

4шт.

20

KRH10190

PLATE

4шт.

21

827-16130

BOLT,Hex, M16 x 2 x 130mm, Cl 10.9

4шт.

22

150814A1

WASHER,17mm ID x 32mm OD x 4.5mm Thk

HIGH STRENGTH

4шт.

23

KRH1251

SPECIAL NUT

M16

4шт.

24

KHR2584

CLAMP

1шт.

25

KHJ1215

BOLT,Spcl

M8X25

1шт.

Выбрано товаров: 16