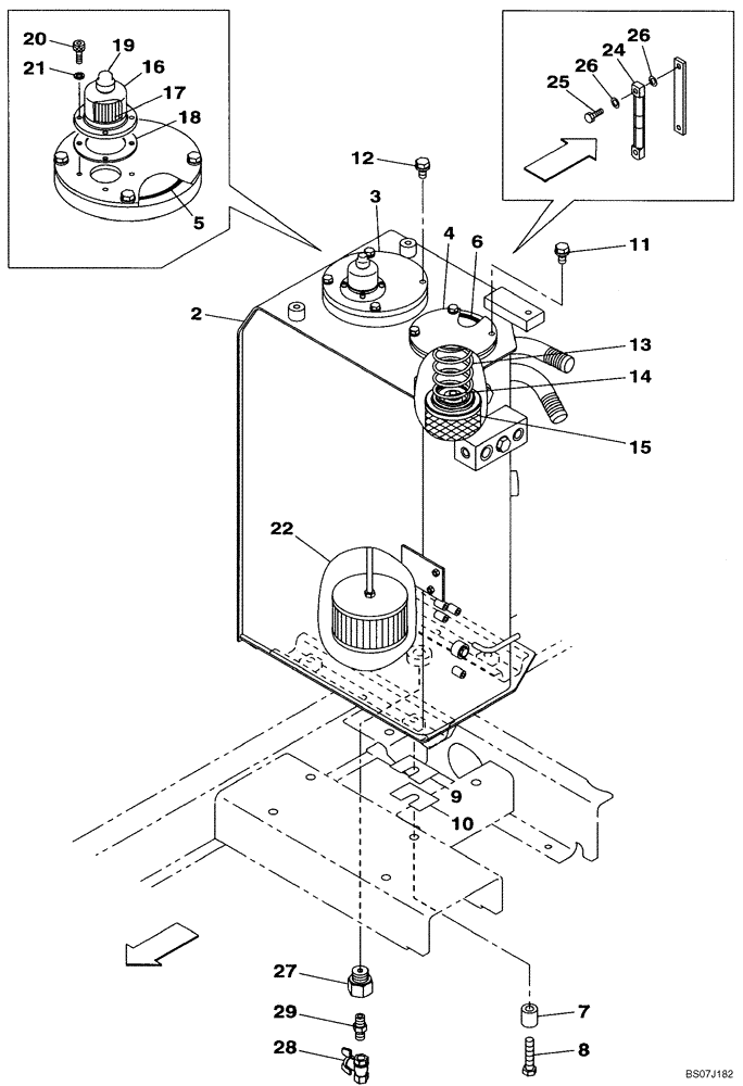
Запчасти Case CX130B (08-01) - HYDRAULIC RESERVOIR (08) - HYDRAULICS

Схема запчастей Case CX130B - (08-01) - HYDRAULIC RESERVOIR (08) - HYDRAULICS
13
11
5
14
4
25
7
15
29
19
8
2
17
27
6
26
2
6
28
12
22
10
16
9
20
18
3
21
FIT
1:1
100%

Артикул

Название

Примечание

Количество

KNJ14410

RESERVOIR, HYDRAULIC

Incl. 2 - 6

1шт.

2

NSS

NOT SOLD SEPARAT

Tank, Oil

1шт.

3

KRJ15380

COVER

1шт.

4

KLJ10620

COVER

1шт.

5

154837A1

O-RING

1шт.

6

154776A1

O-RING

1шт.

7

153357A1

SPACER

4шт.

8

827-16070

BOLT,Hex, M16 x 2 x 70mm, Cl 10.9

4шт.

9

150166A1

SHIM

1шт.

10

150497A1

INSULATOR

1шт.

11

166351A1

BOLT,Sems, M10 x 20mm

4шт.

12

166347A1

BOLT,Sems, M10 x 30mm

4шт.

13

KNJ2569

SPRING

1шт.

14

153191A1

VALVE

1шт.

15

KNJ14680

HYDRAULIC OIL FILTER

1шт.

16

KHJ1491

BREATHER

Incl. 17 - 19

1шт.

17

159702A1

HYDRAULIC OIL FILTER

1шт.

18

159703A1

GASKET

1шт.

19

KHJ1492

CAP

1шт.

20

862-6016

HEX SOC SCREW,M6 x 16mm, Cl 12.9

4шт.

21

892-11006

LOCK WASHER,M6

4шт.

22

KNJ10660

HYDRAULIC OIL FILTER

1шт.

163560A1

SIGHTGLASS

Incl. 24 - 26

1шт.

24

163561A1

GAUGE

1шт.

25

159492A1

BOLT

2шт.

26

159493A1

SEALING WASHER

SEAL WASHER

4шт.

27

KHJ16920

STUD

1шт.

28

158923A1

DRAIN VALVE

1шт.

29

150847A1

HYD CONNECTOR

1шт.

Выбрано товаров: 29