Запчасти Case CX160B (02-01) - ENGINE MOUNTING (02) - ENGINE

Схема запчастей Case CX160B - (02-01) - ENGINE MOUNTING (02) - ENGINE
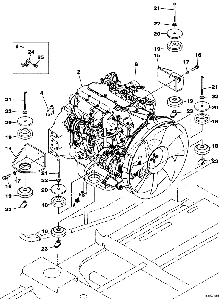
18
23
4
14
23
23
2
24
18
22
21
16
19
22
19
19
19
16
22
15
17
25
17
20
20
6
23
18
21
20
20
18
22
21
21
FIT
1:1
100%

Артикул

Название

Примечание

Количество

2

KLH10850

ENGINE,119kW, 5 Cylinders, W/ Turbocharger

See Figures 02-06 - 02-33, 03-04 - 03-07, 04-01 - 04-04A, Serial Range: -DAC160K5NBSAF1746

1шт.

2

KLH10850EC

CORE-ENGINE

Environmental Core, For N.A. Only, Serial Range: -DAC160K5NBSAF1746

1шт.

2

KLH11370

ENGINE

, Start Serial: DAC160K5NBSAF1747

1шт.

4

167913A1

GASKET

Exhaust

1шт.

6

87601012

HARNESS

Engine

1шт.

14

KNH10420

ENGINE MOUNT

1шт.

15

KNH10430

ENGINE MOUNT

1шт.

16

627-12035

BOLT,Hex, M12 x 1.75 x 35mm, Cl 10.9, Full Thd

8шт.

17

150811A1

WASHER

8шт.

18

KNH10410

RUBBER MOUNTING

4шт.

19

KNH10400

RUBBER MOUNTING

4шт.

20

KRH10190

PLATE

4шт.

21

827-16130

BOLT,Hex, M16 x 2 x 130mm, Cl 10.9

4шт.

22

150814A1

WASHER,17mm ID x 32mm OD x 4.5mm Thk

4шт.

23

KRH1251

SPECIAL NUT

4шт.

24

KHR2584

CLAMP

1шт.

25

KHJ1215

BOLT,Spcl

1шт.

Выбрано товаров: 17