Запчасти Case CX160B (02-02) - ENGINE OIL SUPPLY LINES (02) - ENGINE

Схема запчастей Case CX160B - (02-02) - ENGINE OIL SUPPLY LINES (02) - ENGINE
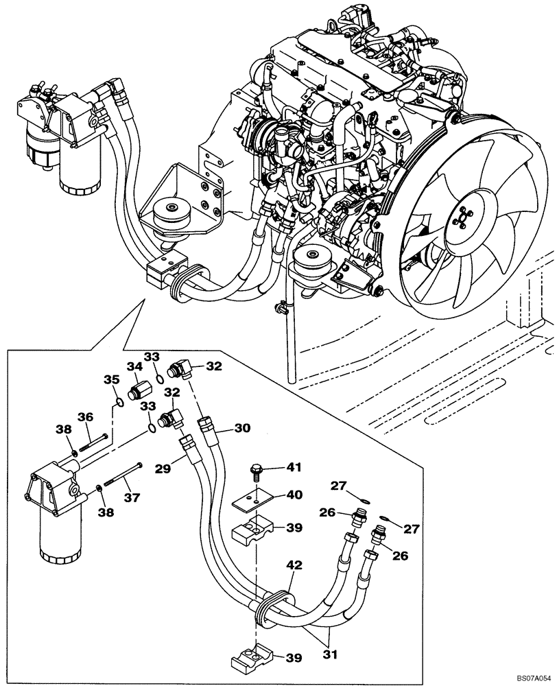
38
32
30
35
41
26
29
33
39
33
37
40
34
32
38
39
27
42
27
31
36
26
FIT
1:1
100%

Артикул

Название

Примечание

Количество

26

151654A1

HYD CONNECTOR,3/4" NPT O-Ring x 3/4" NPT

Incl. 27

2шт.

27

154503A1

O-RING

1шт.

29

KLH10210

HYDRAULIC HOSE,19.00 mm ID x 1250.00 mm

1шт.

30

KLH10220

HYDRAULIC HOSE,19.00 mm ID x 1350.00 mm

1шт.

31

157862A1

PLASTIC-RUBBER TUBE

(Replaces KBR0819)

2шт.

32

157580A1

ELBOW,90 Degree, 3/4" O-Ring x 3/4"

Incl. 33

2шт.

33

154503A1

O-RING

1шт.

34

152012A1

ELEC CONNECTOR

Incl. 35

1шт.

35

154503A1

O-RING

1шт.

36

102R008Y110R

BOLT

2шт.

37

KHH0515

BOLT

2шт.

38

153081A1

WASHER

4шт.

39

KRH10200

COLLAR

2шт.

40

KRH10210

PLATE

1шт.

41

166052A1

BOLT

2шт.

42

KNJ2988

RUBBER SEAL

1шт.

Выбрано товаров: 16