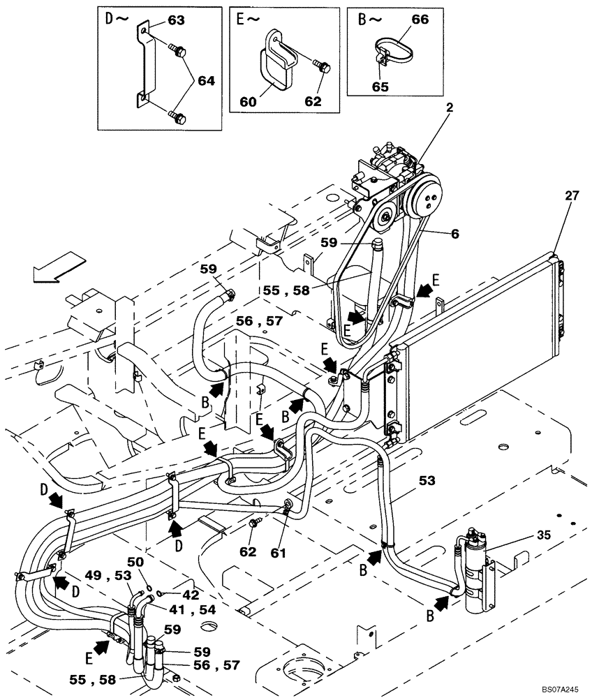
Запчасти Case CX160B (09-23) - AIR CONDITIONING - CONDENSER AND RECEIVER-DRIER (09) - CHASSIS/ATTACHMENTS

Схема запчастей Case CX160B - (09-23) - AIR CONDITIONING - CONDENSER AND RECEIVER-DRIER (09) - CHASSIS/ATTACHMENTS
59
59
61
50
64
42
59
56
55
6
65
59
2
55
62
57
49
54
66
62
63
41
27
56
58
57
53
60
58
35
53
FIT
1:1
100%

Артикул

Название

Примечание

Количество

2

KHR3197

COMPRESSOR

See Figure 09-24

1шт.

KHR3197R

REMAN-COMPRESSOR

CX160B Tier 3 (1/07-)

1шт.

KHR3197C

CORE-COMPRESSOR

Return Number

1шт.

6

KHR13570

BELT

1шт.

27

KHR13070

CONDENSER

See Figure 09-25

1шт.

35

KHR13590

RECEIVER-DRYER

See Figure 09-25

1шт.

41

KHR12670

HOSE

Incl. 42, 43

1шт.

42

169052A1

O-RING

2шт.

43

KHR3054

CAP

Not Illustrated, See Figure 09-24

1шт.

49

KHR12700

HOSE

Incl. 50

1шт.

50

169054A1

O-RING

2шт.

53

151175A1

PLASTIC-RUBBER TUBE

1шт.

54

166130A1

PLASTIC-RUBBER TUBE

1шт.

55

KHR12970

HOSE

1шт.

56

KHR16200

HOSE

1шт.

57

166129A1

PLASTIC-RUBBER TUBE

1шт.

58

166129A1

PLASTIC-RUBBER TUBE

1шт.

59

KRJ1062

COLLAR

4шт.

60

KHR2581

CLAMP

6шт.

61

KHR2584

CLAMP

1шт.

62

KHJ1215

BOLT,Spcl

7шт.

63

KHJ11090

COLLAR

3шт.

64

KHJ1215

BOLT,Spcl

6шт.

65

KHR10220

MOUNTING CLIP

4шт.

66

150496A1

MOUNTING CLIP

1шт.

Выбрано товаров: 25