Качественные детали и логистика
Оригинальные и аналоговые запчасти с доставкой по России, Казахстану и Беларуси
©2022 PartSell ООО "Система" ИНН 2463123282 ОГРН 1212400004838
Центральный офис: г. Красноярск, Академика Киренского, д.87, пом.4
Телефон: 8 (800) 777-65-74 Email: zakaz@partsell.ru
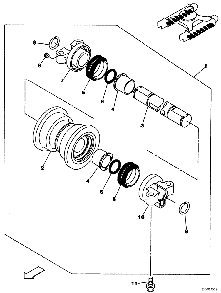
(05-09) - TRACK - ROLLER, LOWER
№
Артикул
Название
Примечание
Количество
1
KRA10360
TRACK ROLLER
Incl. 2 - 10
14шт.
2
NSS
NOT SOLD SEPARAT
Roller, Track
1шт.
3
KRA11260
SHAFT
4
160423A1
BUSHING,65mm ID x 87mm OD x 69mm L
2шт.
5
152736A1
OIL SEAL
6
152422A1
O-RING
7
160422A1
CASING, BEARING ROLL
8
150821A1
PLUG
9
150597A1
COLLAR
10
KRA1595
11
165932A1
BOLT,M18 x 75mm
56шт.
Выбрано товаров: 0