Запчасти Case CX160B (06-03) - MOTOR ASSY - TRACK DRIVE (06) - POWER TRAIN

Схема запчастей Case CX160B - (06-03) - MOTOR ASSY - TRACK DRIVE (06) - POWER TRAIN
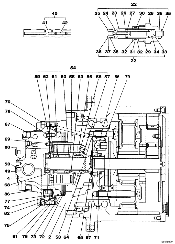
56
22
64
24
50
65
30
86
55
26
81
58
78
32
22
57
79
33
36
60
42
73
74
75
68
62
63
32
53
72
4
41
59
70
54
66
61
87
25
38
80
31
28
35
34
49
40
23
69
29
77
76
82
37
2
67
38
71
27
FIT
1:1
100%

Артикул

Название

Примечание

Количество

KLA10030

MOTO-REDUCTION GEAR

Includes All Parts On Figures 06-02 - 06-04

1шт.

KLA10030R

REMAN-MOTO REDUCTION

CX160B CRAWLER EXCAVATOR TIER 3 (NA) (1/07-)

1шт.

KLA10030C

CORE-MOTO-REDUCTION UNIT

Return Number

1шт.

NSS

NOT SOLD SEPARAT

Motor, Piston; Incl. 2 - 87; Also Includes Parts On Figure 06-02

1шт.

2

NSS

NOT SOLD SEPARAT

Flange

1шт.

4

NSS

NOT SOLD SEPARAT

Plate

1шт.

22

160565A1

VALVE

Incl. 23 - 38

2шт.

23

NSS

NOT SOLD SEPARAT

Housing

1шт.

24

NSS

NOT SOLD SEPARAT

Poppet

1шт.

25

NSS

NOT SOLD SEPARAT

Poppet

1шт.

26

NSS

NOT SOLD SEPARAT

Seat, Spring

1шт.

27

NSS

NOT SOLD SEPARAT

Spring

1шт.

28

NSS

NOT SOLD SEPARAT

Plug

1шт.

29

155225A1

O-RING

1шт.

30

NSS

NOT SOLD SEPARAT

Piston

1шт.

31

154495A1

O-RING

1шт.

32

153977A1

BACK-UP RING

2шт.

33

NSS

NOT SOLD SEPARAT

Guide, Spring

1шт.

34

NSS

NOT SOLD SEPARAT

O-Ring

1шт.

35

NSS

NOT SOLD SEPARAT

Screw

1шт.

36

NSS

NOT SOLD SEPARAT

Nut

1шт.

37

154479A1

O-RING

1шт.

38

153964A1

BACK-UP RING

2шт.

40

NSS

NOT SOLD SEPARAT

Spool Assy; Incl. 41, 42

1шт.

41

NSS

NOT SOLD SEPARAT

Spool

1шт.

42

NSS

NOT SOLD SEPARAT

Spool

1шт.

49

161773A1

PLUG

4шт.

50

154467A1

O-RING,10.8mm ID x 2.4mm Width

4шт.

53

LB00545

SHAFT

1шт.

54

LS003330

BARREL

Incl. 54 - 62

1шт.

55

NSS

NOT SOLD SEPARAT

Block, Cylinder

1шт.

56

NSS

NOT SOLD SEPARAT

Piston

9шт.

57

NSS

NOT SOLD SEPARAT

Retainer

1шт.

58

NSS

NOT SOLD SEPARAT

Holder

1шт.

59

160103A1

RING, SNAP

RING SNAP

1шт.

60

160203A1

SPRING SEAT

1шт.

61

160590A1

SPRING

1шт.

62

158113A1

COLLAR

1шт.

63

155631A1

COTTER PIN

3шт.

64

LR015970

PLATE

Plate

1шт.

65

155950A1

BALL

2шт.

66

NSS

NOT SOLD SEPARAT

Piston

2шт.

67

LB00546

BEARING,50mm ID x 90mm OD x 20mm W

1шт.

68

LB00547

BEARING,35mm ID x 72mm OD x 17mm W

1шт.

69

LA010950

DOWEL

1шт.

70

108R014Z035N

BOLT

10шт.

71

LE014680

OIL SEAL

1шт.

72

LR015020

PLATE

3шт.

73

165696A1

PLATE

2шт.

74

LJ014600

PISTON

1шт.

75

165720A1

OIL SEAL

1шт.

76

165721A1

SEALING RING

1шт.

77

156090A1

SPRING

8шт.

78

160097A1

COTTER PIN

4шт.

79

160592A1

SPRING

2шт.

80

LR015030

PLATE

1шт.

81

154463A1

O-RING

4шт.

82

155220A1

O-RING

1шт.

86

NSS

NOT SOLD SEPARAT

Plug

1шт.

87

NSS

NOT SOLD SEPARAT

Plug

1шт.

LZ007960

SEAL KIT

Incl. 29, 31, 32, 37, 38, 50, 71, 75, 76, 81, 82; Also Includes Parts On Figure 06-04

1шт.

LZ008650

REPAIR KIT

Incl. 2, 66

1шт.

LZ008660

REPAIR KIT

Incl. 40 - 42, 49, 50; Also Includes Parts On Figure 06-04

1шт.

Выбрано товаров: 63