Запчасти Case CX210B (02-01) - ENGINE MOUNTING - ENGINE (02) - ENGINE

Схема запчастей Case CX210B - (02-01) - ENGINE MOUNTING - ENGINE (02) - ENGINE
25
38
27
19
25
46
22
37
23
40
26
25
22
48
14
39
26
47
21
27
9
27
2
48
15
7
26
21
35
24
18
34
34
22
17
16
32
23
31
40
24
35
27
23
5
25
20
22
36
24
23
24
26
45
FIT
1:1
100%

Артикул

Название

Примечание

Количество

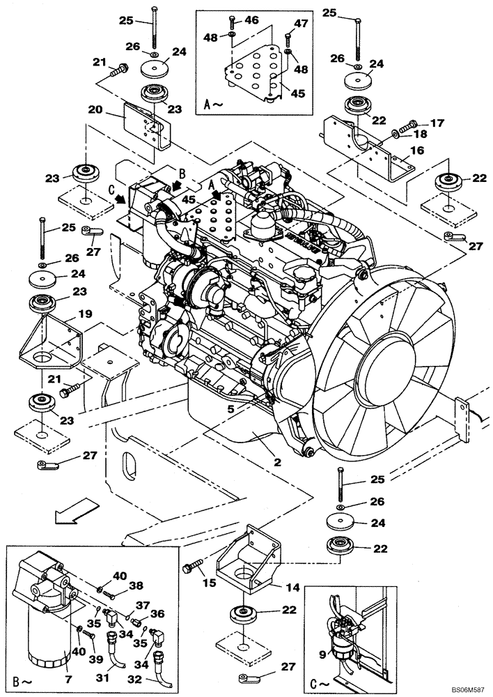
2

KRH11190

ENGINE

See Figures 02-08 - 02-36, 03-04 - 03-09, 04-01 - 04-04

1шт.

2

47609664ER

REMAN-BASIC ENGINE

Complete Engine Less Fuel, Exhaust, Alternator and Starter

1шт.

2

47609664EPAC

CORE-BASIC ENGINE

Return Number

1шт.

5

REF

INSTRUCTION

Belt, Fan; See Figure 02-27

1шт.

7

REF

INSTRUCTION

Oil Filter; See Figure 02-30

1шт.

9

REF

INSTRUCTION

Fuel Filter; See Figure 03-07

1шт.

14

KRH10990

ENGINE MOUNT

1шт.

15

166347A1

BOLT,Sems, M10 x 30mm

4шт.

16

KRH11000

ENGINE MOUNT

1шт.

17

627-10035

BOLT,Hex, M10 x 1.5 x 35mm, Cl 10.9, Full Thd

5шт.

18

150409A1

WASHER

5шт.

19

KRH10130

ENGINE MOUNT

1шт.

20

KRH10140

ENGINE MOUNT

1шт.

21

166373A1

BOLT,Sems, M16 x 40mm

8шт.

22

KRH10870

SILENTBLOC

4шт.

23

KRH10860

RUBBER MOUNTING

4шт.

24

KRH10190

PLATE

4шт.

25

827-16130

BOLT,Hex, M16 x 2 x 130mm, Cl 10.9

4шт.

26

150814A1

WASHER,17mm ID x 32mm OD x 4.5mm Thk

4шт.

27

KRH1251

SPECIAL NUT

4шт.

31

KRH11090

HYDRAULIC HOSE,19.00 mm ID x 1220.00 mm

1шт.

32

KRH10330

HYDRAULIC HOSE,19.00 mm ID x 1350.00 mm

1шт.

34

157580A1

ELBOW,90 Degree, 3/4" O-Ring x 3/4"

Incl. 35

2шт.

35

154503A1

O-RING

1шт.

36

152012A1

ELEC CONNECTOR

Incl. 37

1шт.

37

154503A1

O-RING

1шт.

38

102R008Y110R

BOLT

2шт.

39

KHH0515

BOLT

2шт.

40

153081A1

WASHER

4шт.

45

KRH11050

STEP

1шт.

46

827-8070

BOLT,Hex, M8 x 1.25 x 70mm, Cl 10.9

2шт.

47

827-8040

BOLT,Hex, M8 x 1.25 x 40mm, Cl 10.9

1шт.

48

153081A1

WASHER

3шт.

Выбрано товаров: 0