Запчасти Case CX210B (09-43) - BUCKETS, ESCO - HEAVY DUTY CAST BUCKET (09) - CHASSIS/ATTACHMENTS

Схема запчастей Case CX210B - (09-43) - BUCKETS, ESCO - HEAVY DUTY CAST BUCKET (09) - CHASSIS/ATTACHMENTS
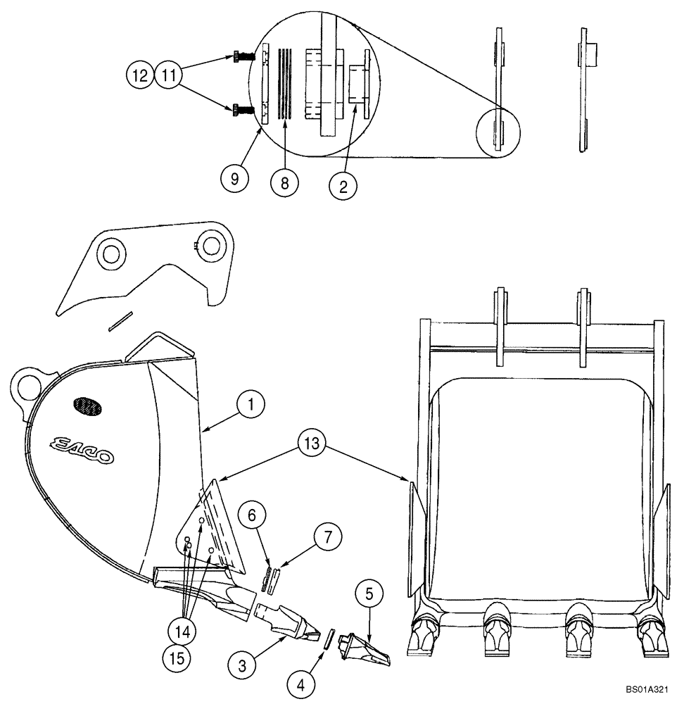
4
7
2
9
14
11
13
15
6
12
8
1
5
3
FIT
1:1
100%

Артикул

Название

Примечание

Количество

1

371485A1

BUCKET

0.42 cu m (0.55 cu yd); With 3 Teeth

1шт.

1

371486A1

BUCKET

0.56 cu m (0.74 cu yd); With 4 Teeth

1шт.

1

371487A1

BUCKET

0.78 cu m (1.03 cu yd); With 5 Teeth

1шт.

2

372027A1

ADAPTER

1шт.

3

372030A1

SHANK, BUCKET TOOTH

Tooth

3-5шт.

4

233799A1

BUCKET TOOTH KEY

3-5шт.

5

233798A1

TOOTH

3-5шт.

6

S107814

SPOOL

Fluted

3-5шт.

7

S107813

WEDGE

Fluted

3-5шт.

8

378630A1

SHIM

6шт.

9

378631A1

PLATE

1шт.

10

378632A1

PIN

Not Illustrated

2шт.

11

892-11016

LOCK WASHER,16.4mm ID x 27.4mm OD x 5mm Thk

4шт.

12

627-16050

BOLT,Hex, M16 x 2 x 50mm, Cl 10.9, Full Thd

4шт.

378662A1

KIT

Shroud; Incl. 13 - 15

1шт.

13

244962A1

BLADE

2шт.

14

232-41314

LOCK NUT,7/8"-9, GC

6шт.

15

320-21444

CARRIAGE BOLT,#3, 7/8" - 9 x 2 3/4", Gr 8

6шт.

378642A1

KIT

Adjustment; Incl. 2, 8 - 12

1шт.

Выбрано товаров: 19